

作品包括:
Word版说明书1份,共41页,约18000字
CAD版本图纸,共6张
机电气综合实验系统设计
摘要
本次设计的机电气综合实验系统,是通过对该实验台模拟的生产线的工艺流程、气动回路和PLC基本工作原理等的深入了解基础上。运用所学的知识和查阅大量的相关资料对机械部分、气动部分、控制流程进行合理的设计及传感器、气缸等元件的合理选择,并进行了PLC编程。
我所设计的机电气综合实验系统,是一台集机械、气动、PLC控制、交流调速和传感器为一体的机电一体化产品。它主要由机械部分、气动系统、PLC控制技术和传感器四大部分组成。
关键字:PLC控制技术、气动系统、机械系统、机械手、实验系统
目录
第一章 概述 1
1.1设计此实验台的目的 1
1.2实验台概述 2
1.3实验台的工作流程 2
第二章 机械系统 3
2.1刀具及进给部件 3
2.1.1刀具及进给部件的各部分材质选择 4
2.1.2刀具及进给部件的设计 4
2.1.3刀具及进给部件的作用 5
2.1.4刀具及进给部件的控制方式及传动原理 5
2.1.5电机的选择 5
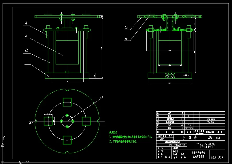
2.2工作台部件 6
2.2.1工作台的工作原理 7
2.2.2工作台部件的作用 7
2.2.3工作台部件的设计 8
2.2.4工作台部件的材质选择 8
2.2.5电机的选择 8
2.3机械手部件 9
2.3.1机械手部件的材质选择 10
2.3.2机械手部件的作用 10
2.3.3机械手部件的工作原理 10
2.3.4机械手部件各部分作用 12
2.4料库及下料装置 12
2.4.1料库部件 12
2.4.2下料装置 14
2.5丝杠运料小车部件 16
2.5.1丝杠小车作用 16
2.5.2丝杠小车的设计 16
2.5.3丝杠小车材质的选择 17
2.5.4电机的选择 17
第三章 气动控制部分 17
3.1 概述 17
3.2气动原理图 19
3.3主要元件 20
3.3.1过滤器 20
3.3.2油雾器 20
3.3.3减压阀 21
3.3.4电磁换向阀 23
3.3.5单向节流阀 24
3.3.6气缸 25
第四章 PLC和传感器技术 28
4.1 PLC简介 28
4.2性能特点 28
4.3 S7-200系列PLC系统的结构 29
4.4传感器技术 31
4.5传感器、PLC、气缸之间的运作原理 33
第五章实验台总体设计思路 34
结束语 37
参考文献 38
附录 39
温馨提示:
1、题目前面的备注【字母数字编号】为本站整理分类的编号,与课题内容无关,请选题时忽视;
2、若题目上备注三维,则表示文件里包含三维源文件,由于三维组成零件数量较多,为保证预览截图的简洁性,本站将三维文件夹进行了打包。三维及CAD预览截图,均为本站电脑打开软件进行截图的,保证能够打开,下载原件超高清,下载后解压即可;
3、本站所有资源如无特殊说明,都需要本地电脑安装Office2007。图纸软件为AutoCAD,PROE,UG,SolidWorks,CATIA等;
4、本站所有图文资料仅供用户学习参考,不作为任何商用或其他用途;
5、本站不保证下载资源的准确性、安全性和完整性, 不包修改,不支持退换,同时也不承担用户因使用这些下载资源对自己和他人造成任何形式的伤害或损失;
6、 下载文件中如有侵权或不适当内容,请与我们联系,我们立即纠正。