

作品包括:
Word版设计说明书1份
CAD版本图纸,共3张
摘要
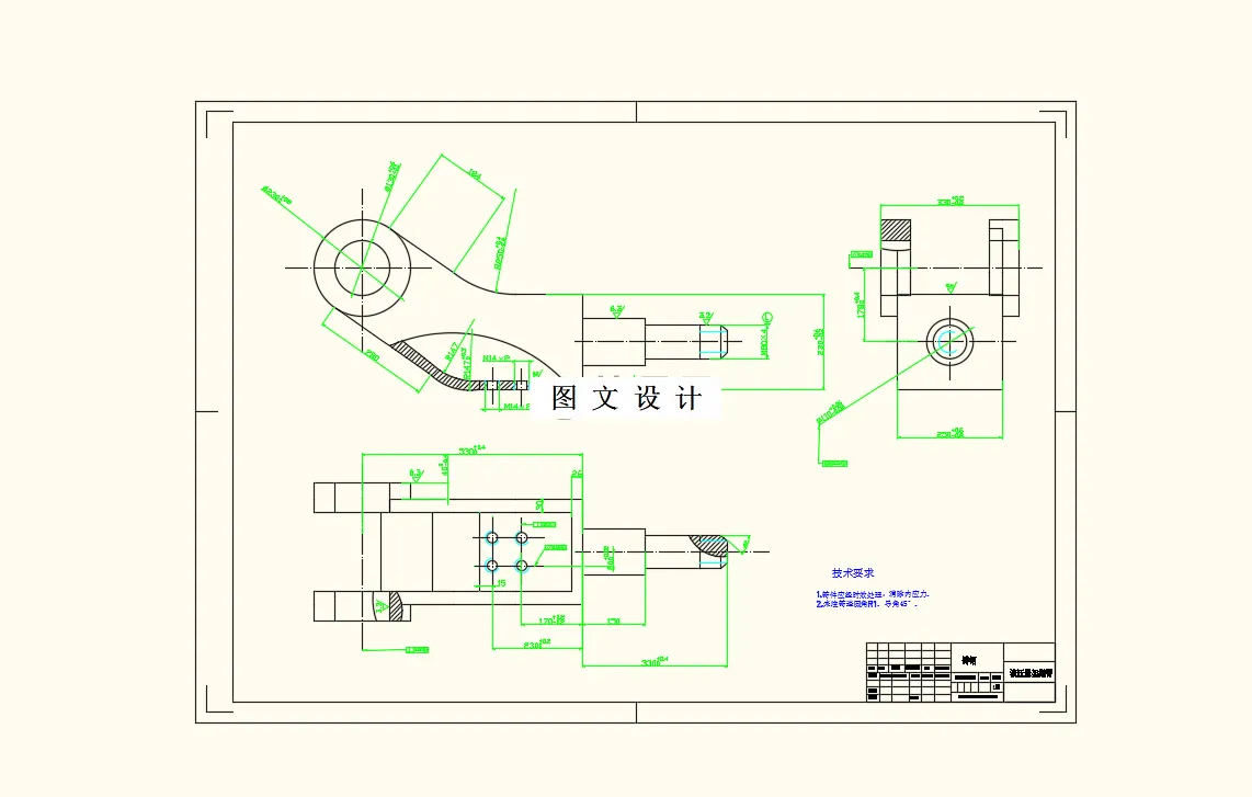
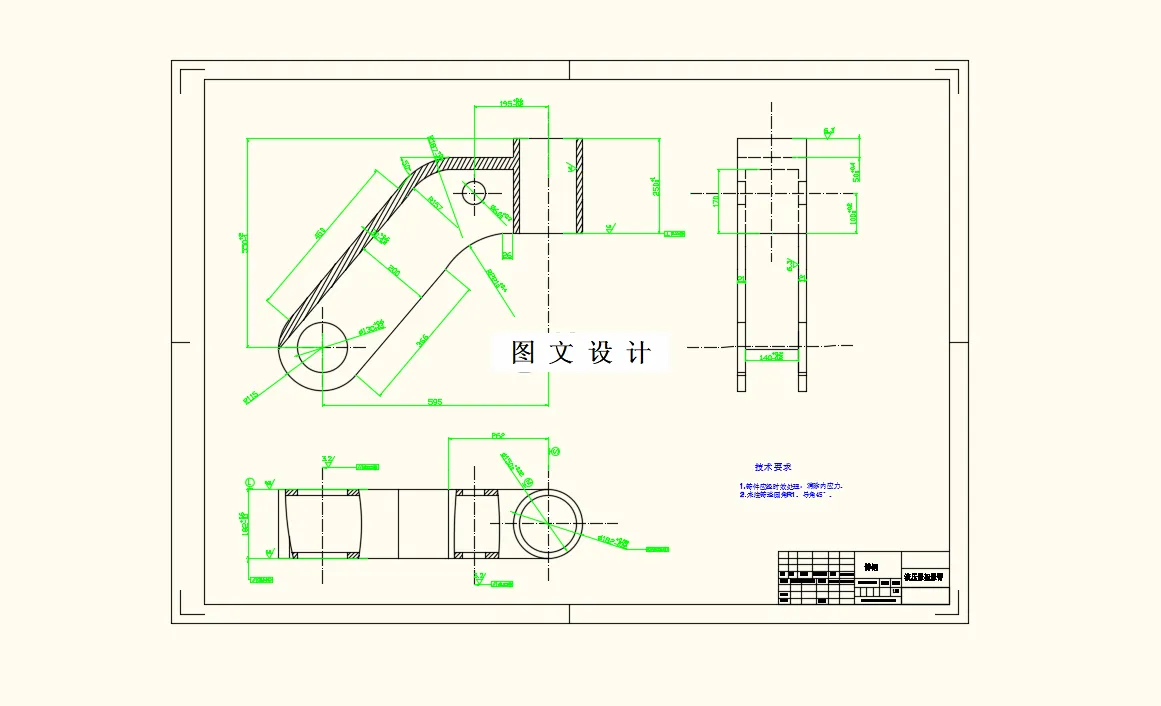
二十世纪末到二十一纪初,我国在大力发展基础设施的建设,也渐渐从扩大外需的政策转变到拉动内需政策的平台上,在无形之中也促进了物流运输业的蓬勃式的发展, 尤其是在超重、超长、超宽等重型设备以及运输任务不断加重的情况下,传统的钢板弹簧也渐渐不被适用,转而取而代之的是液压悬架系统。 故而,低平板半挂车的行驶平顺性将对重要物品运输的安全性起着直观重要的作用。液压式悬架作为多轴线挂车的重要承力部件,其结构优化、强度极限、疲劳破坏等直接影响挂车的运行安全。然而,相较于国外渐渐完善的研究体系,国内明显的不足就是在液压悬架性能等方面的研究十分的有限,行业的当务之急便是加强对半挂车结构的分析和研究,并同时健全各种指标和标准,以众多可靠且先进的成果为挂车行业提供“压舱石”的作用。本文以某低平板四轴线半挂车的悬架系统为对象进行优化设计。
温馨提示:
1、题目前面的备注【字母数字编号】为本站整理分类的编号,与课题内容无关,请选题时忽视;
2、若题目上备注三维,则表示文件里包含三维源文件,由于三维组成零件数量较多,为保证预览截图的简洁性,本站将三维文件夹进行了打包。三维及CAD预览截图,均为本站电脑打开软件进行截图的,保证能够打开,下载原件超高清,下载后解压即可;
3、本站所有资源如无特殊说明,都需要本地电脑安装Office2007。图纸软件为AutoCAD,PROE,UG,SolidWorks,CATIA等;
4、本站所有图文资料仅供用户学习参考,不作为任何商用或其他用途;
5、本站不保证下载资源的准确性、安全性和完整性, 不包修改,不支持退换,同时也不承担用户因使用这些下载资源对自己和他人造成任何形式的伤害或损失;
6、 下载文件中如有侵权或不适当内容,请与我们联系,我们立即纠正。