

作品包括:
Word版设计说明书1份
任务书一份
开题报告一份
文献综述一份
外文翻译一份
CAD版本图纸,共3张
SW三维图一套
摘要
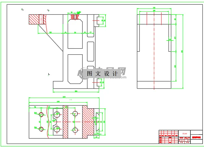
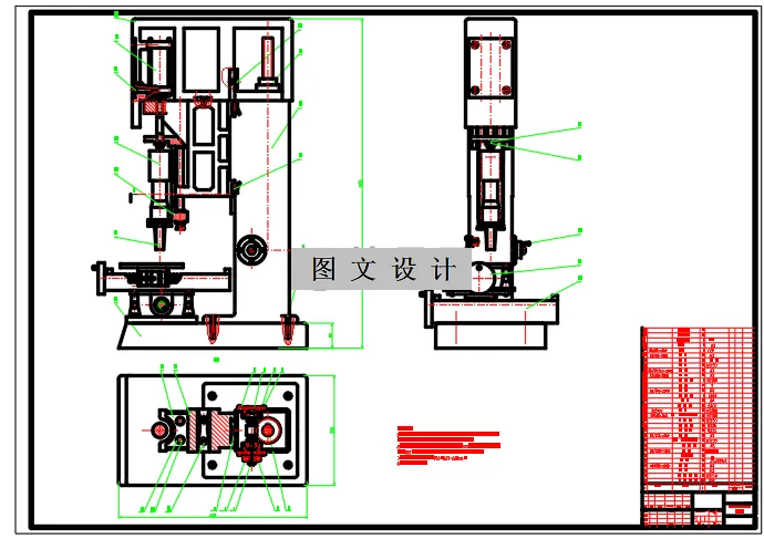
垂直位移装置是超声波钻铣机的移动执行部分,主要是带动变幅杆振动系统实现垂直移动的装置.其装置由两部分组成:气压传动系统和位移传动系统。气压传动系统工作:在定时控制下打开气路阀门,气缸加压使工具头实现Z方向的移动看,工作台X、Y方向上的运动有相互垂直的滚珠丝杠导轨来实现。课题主要包括两部分传动系统零部件的选用、设计以及校核等工作。垂直移动装置的设计关系到整体结构尺寸、强度以及整台机型的美观问题,并将直接影响钻铣加工质量。超声波加工过程是一个高效和经济的手段,用在精密加工的陶瓷材料上。然而,力学这一过程对裂纹产生和扩大,并强调发展陶瓷工件表层仍然没有得到很好的理解。
温馨提示:
1、题目前面的备注【字母数字编号】为本站整理分类的编号,与课题内容无关,请选题时忽视;
2、若题目上备注三维,则表示文件里包含三维源文件,由于三维组成零件数量较多,为保证预览截图的简洁性,本站将三维文件夹进行了打包。三维及CAD预览截图,均为本站电脑打开软件进行截图的,保证能够打开,下载原件超高清,下载后解压即可;
3、本站所有资源如无特殊说明,都需要本地电脑安装Office2007。图纸软件为AutoCAD,PROE,UG,SolidWorks,CATIA等;
4、本站所有图文资料仅供用户学习参考,不作为任何商用或其他用途;
5、本站不保证下载资源的准确性、安全性和完整性, 不包修改,不支持退换,同时也不承担用户因使用这些下载资源对自己和他人造成任何形式的伤害或损失;
6、 下载文件中如有侵权或不适当内容,请与我们联系,我们立即纠正。