

作品包括:
Word版设计说明书1份
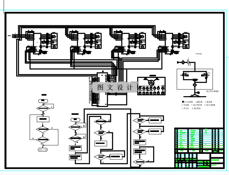
CAD版本图纸,共5张
摘要
上下料机械手采用关节机械手,是一种模仿手部动作。按照PLC编写的程序在一定的路线上运行来实现要求。关节型机械手也是非常典型的一种机电一体化产品。本设计通过对关节型机械手的现状、整体结构、工作原理,针对该课题要求实现的目的,因此设计了机械手的整体结构、手部吸附结构、气动电气系统。整体结构为垂直关节型,机械手有腰部回转、大小臂转动、腕部转动和吸附5个自由度。气压系统采用真空发生器来实现吸附线路板,电气系统采用三菱PLC,改变伺服驱动器的脉冲数量来实现不同的运动路线以此来实现机械手的整个运动路线,并通过仿真来验证程序的正确与可行性。
温馨提示:
1、题目前面的备注【字母数字编号】为本站整理分类的编号,与课题内容无关,请选题时忽视;
2、若题目上备注三维,则表示文件里包含三维源文件,由于三维组成零件数量较多,为保证预览截图的简洁性,本站将三维文件夹进行了打包。三维及CAD预览截图,均为本站电脑打开软件进行截图的,保证能够打开,下载原件超高清,下载后解压即可;
3、本站所有资源如无特殊说明,都需要本地电脑安装Office2007。图纸软件为AutoCAD,PROE,UG,SolidWorks,CATIA等;
4、本站所有图文资料仅供用户学习参考,不作为任何商用或其他用途;
5、本站不保证下载资源的准确性、安全性和完整性, 不包修改,不支持退换,同时也不承担用户因使用这些下载资源对自己和他人造成任何形式的伤害或损失;
6、 下载文件中如有侵权或不适当内容,请与我们联系,我们立即纠正。