

作品包括:
Word版设计说明书1份
工序卡一份
CAD版本图纸,共12张
摘要
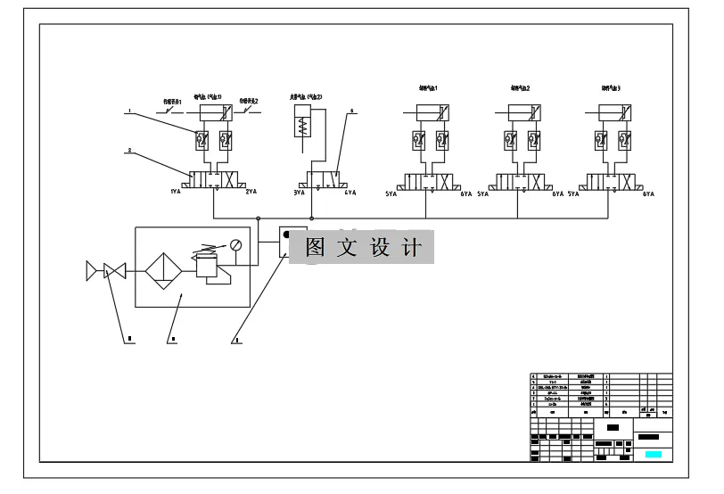
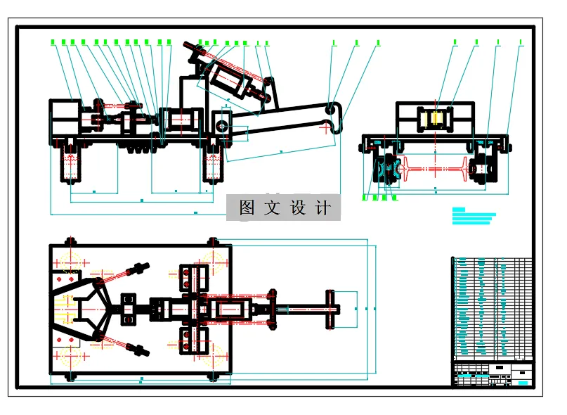
减震器活塞杆冷拉专用机床是一种专门用于制造减震器活塞杆的高精度机床。设计内容包括专用夹具、专用机床、气压传动系统的设计,以及技术经济性分析。本文首先介绍了减震器活塞杆冷拉专用机床的工作原理,在深入理解工序要求和仔细分析零件图纸的基础上,完成了专机三图一卡的设计,即专用机床的图纸和卡片设计。针对专用夹具,进行了详细的结构设计,包括对其进行定位误差分析和夹紧力计算,以确保其精确度和稳定性。在专用机床的设计过程中,综合考虑了动力部件的选型计算和运动动力设计,同时对关键件进行了受力校核,以确保机床的可靠性和耐用性。此外,完成了气压传动系统的设计,包括气缸的选型计算和气压控制原理图的设计,以确保系统的稳定性和效率。最后,以工序加工方案为基础,综合考虑了材料费、机床折旧费、人工费等多种因素,进行了全面的技术经济性分析,计算了生产成本,并对整个设计进行了合理性评价,以确保的设计既经济又高效。并使用CAD绘件完成此专用机床的装配图和拉紧小车装配图。电气控制部分采用了三菱PLC对上料装置、冷拉、卸料总体控制,绘制了PLC接线图和梯形图。
温馨提示:
1、题目前面的备注【字母数字编号】为本站整理分类的编号,与课题内容无关,请选题时忽视;
2、若题目上备注三维,则表示文件里包含三维源文件,由于三维组成零件数量较多,为保证预览截图的简洁性,本站将三维文件夹进行了打包。三维及CAD预览截图,均为本站电脑打开软件进行截图的,保证能够打开,下载原件超高清,下载后解压即可;
3、本站所有资源如无特殊说明,都需要本地电脑安装Office2007。图纸软件为AutoCAD,PROE,UG,SolidWorks,CATIA等;
4、本站所有图文资料仅供用户学习参考,不作为任何商用或其他用途;
5、本站不保证下载资源的准确性、安全性和完整性, 不包修改,不支持退换,同时也不承担用户因使用这些下载资源对自己和他人造成任何形式的伤害或损失;
6、 下载文件中如有侵权或不适当内容,请与我们联系,我们立即纠正。