

作品包括:
Word设计说明书1份
任务书一份
开题报告一份
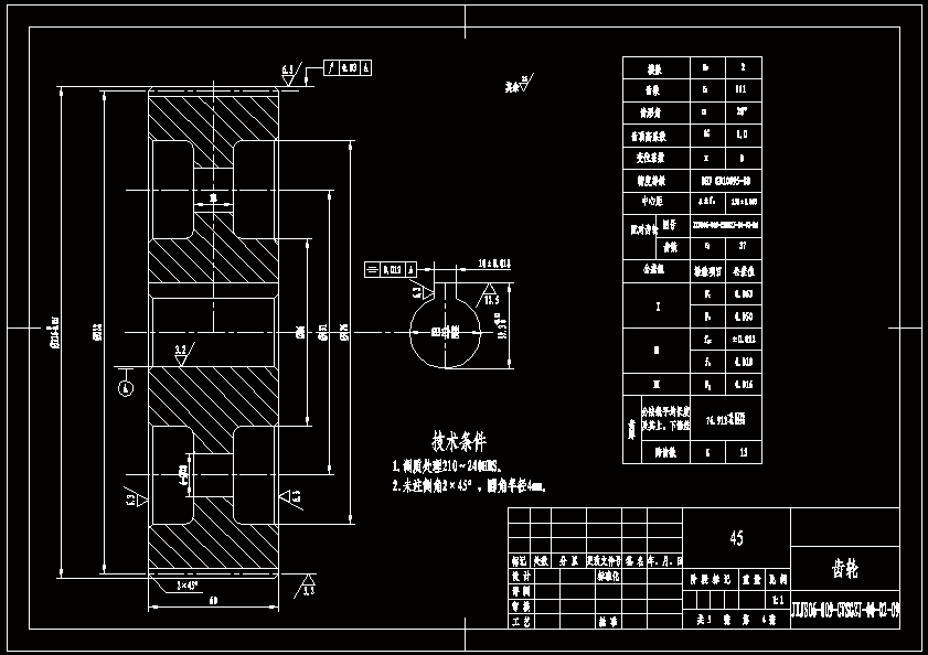
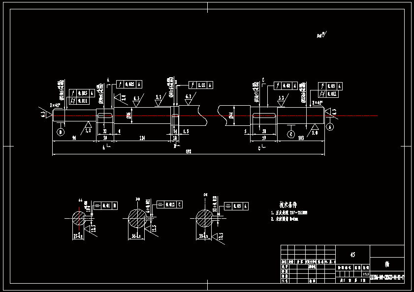
CAD版本图纸,共6张
摘要
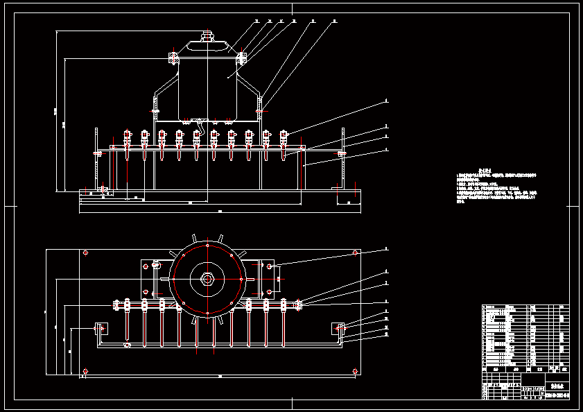
膏体自动灌装机锡纸和盖瓶盖部装设计 设计的重点是常压式灌装机的灌装方法、定量方式和实现无瓶不灌装方法,在此基础上研究了灌装机的总体方案并进行了结构设计。本次设计采用的灌装方法是常压式,依靠液料自重来实现灌装;定量方式是通过PLC控制电磁阀达到控制灌装时间来实现定量,当瓶子来时电磁阀打开,液料流出开始灌装;当瓶子灌装达到要求时电磁阀关闭,阻止液料流出,结束灌装;本次设计采用传感器检测瓶子是否到达工位,如果瓶子到达工位传感器把信号传给PLC,通过PLC分析控制电磁阀开关,进而实现无瓶不灌装。由于本机采用PLC和传感器实现了机器的全自动,同时该机还有结构简单、造价低、无污染、密封可靠、噪声小和人机功能合理的特点。
温馨提示:
1、题目前面的备注【字母数字编号】为本站整理分类的编号,与课题内容无关,请选题时忽视;
2、若题目上备注三维,则表示文件里包含三维源文件,由于三维组成零件数量较多,为保证预览截图的简洁性,本站将三维文件夹进行了打包。三维及CAD预览截图,均为本站电脑打开软件进行截图的,保证能够打开,下载原件超高清,下载后解压即可;
3、本站所有资源如无特殊说明,都需要本地电脑安装Office2007。图纸软件为AutoCAD,PROE,UG,SolidWorks,CATIA等;
4、本站所有图文资料仅供用户学习参考,不作为任何商用或其他用途;
5、本站不保证下载资源的准确性、安全性和完整性, 不包修改,不支持退换,同时也不承担用户因使用这些下载资源对自己和他人造成任何形式的伤害或损失;
6、 下载文件中如有侵权或不适当内容,请与我们联系,我们立即纠正。