

作品包括:
Word设计说明书1份
任务书一份
开题报告一份
外文翻译一份
CAD版本图纸,共7张

摘要
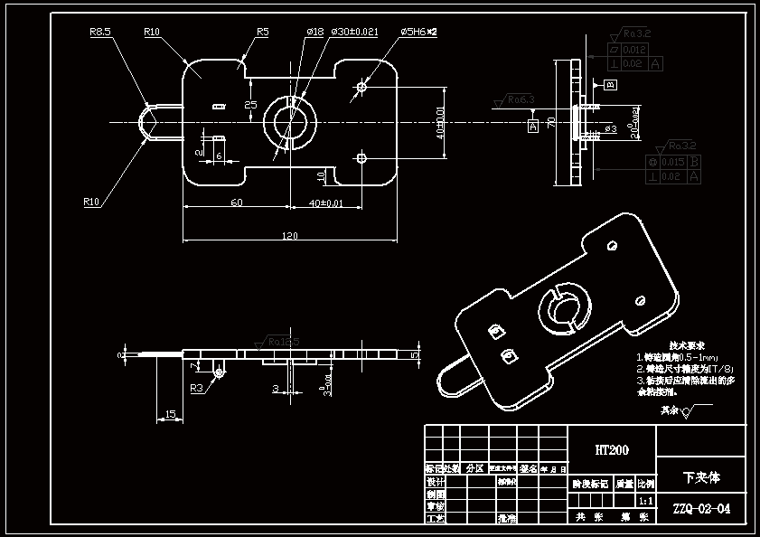
500W二氧化碳激光器镜片安装固定装置设计激光器玻璃装置与镜片安装的夹具设计,是依据目前二氧化碳激光器镜片安装定位太过于费事。目前激光器镜片的安装方式安装繁琐,拆卸不便,安装效率低。现在大多数CO2激光器镜片安装采用三点固定安装、弹簧或者橡胶紧固的结构,通过弹性力压紧固定,目前的镜片固定装配、紧固的方式还存在许多不足。预紧力不稳定,镜片易损坏,定位误差较大,定位之后还需要打磨镜片来调焦,为解决这些问题,故研究此课题。本课题属于镜片夹具设计,即利用六点定位原理来设计镜片的定位固定装置,而且需要考虑安装和卸载的方便性。设计过程中还要考虑安装装配后的激光器镜片表面工艺精度和对光学表面极其精细的要求,对镜片和镜体而言,其夹具力学分析的重要性是必要的,因为安装固定装置的预紧力及镜片的重力对安装固定都有影响。这就更要求在设计中提高要求,降低装配误差、提高安装精度、优化设计。本文设计了一套方案,对工厂原来的镜片装卸固定装置进行优化和改进,不仅保证精度和工艺,而且便于镜片涂胶的安装固定,最后设计出合理的夹具。以满足工厂的实际安装生产需求。
温馨提示:
1、题目前面的备注【字母数字编号】为本站整理分类的编号,与课题内容无关,请选题时忽视;
2、若题目上备注三维,则表示文件里包含三维源文件,由于三维组成零件数量较多,为保证预览截图的简洁性,本站将三维文件夹进行了打包。三维及CAD预览截图,均为本站电脑打开软件进行截图的,保证能够打开,下载原件超高清,下载后解压即可;
3、本站所有资源如无特殊说明,都需要本地电脑安装Office2007。图纸软件为AutoCAD,PROE,UG,SolidWorks,CATIA等;
4、本站所有图文资料仅供用户学习参考,不作为任何商用或其他用途;
5、本站不保证下载资源的准确性、安全性和完整性, 不包修改,不支持退换,同时也不承担用户因使用这些下载资源对自己和他人造成任何形式的伤害或损失;
6、 下载文件中如有侵权或不适当内容,请与我们联系,我们立即纠正。