

作品包括:
Word设计说明书1份
CAD版本图纸,共5张

摘要
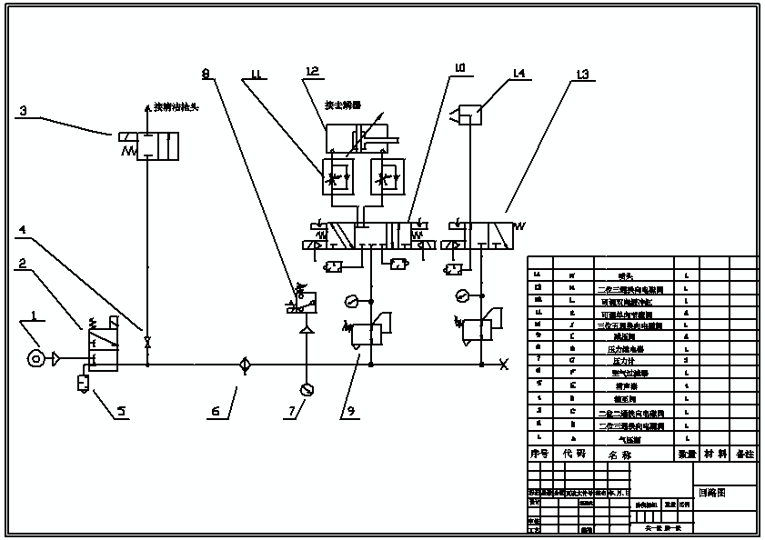
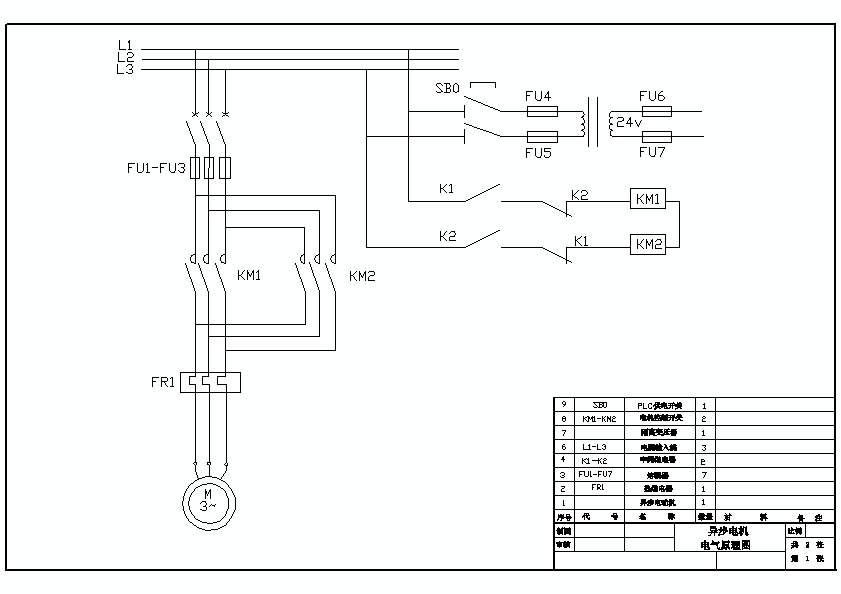
基于PLC控制的活塞浇注系统设计工业自动化技术在近年来发展十分迅猛,当前工业自动化三大支柱技术之一的PLC技术以其很高的可靠性和抗干扰能力受到广泛的欢迎,在各行各业的技术改造过程中被大量地应用。然而,单机控制往往因为点数的限制,无法实现对于较复杂的系统的控制。 表面处理工程领域是当前一个倍受关注的领域,作为一个新兴的边缘学科领域,有着蓬勃的生机,这一工程领域内的活塞生产则是一项非常传统的产业,生产率低下生产技术水平不高的现实迫切需要对其加以技术改造。本文就如何提高活塞生产领域的自动化水平,运用PLC技术在生产线上实现控制。说明书首先分析了活塞打标行业的生产状况,比较了几种常用的控制策略的优缺点,确定具体的控制方案,接着分析并设计了系统的控制流程,再就设备级的控制进行深入的研究,在硬件和软件两个层面上的控制进行了设计,最后对于系统的可靠性进行了设计。针对钢坯生产线,运用PLC控制气动回路,再控制喷头进行定位活塞;在操作上选用步进电机来精确定位和调速。
温馨提示:
1、题目前面的备注【字母数字编号】为本站整理分类的编号,与课题内容无关,请选题时忽视;
2、若题目上备注三维,则表示文件里包含三维源文件,由于三维组成零件数量较多,为保证预览截图的简洁性,本站将三维文件夹进行了打包。三维及CAD预览截图,均为本站电脑打开软件进行截图的,保证能够打开,下载原件超高清,下载后解压即可;
3、本站所有资源如无特殊说明,都需要本地电脑安装Office2007。图纸软件为AutoCAD,PROE,UG,SolidWorks,CATIA等;
4、本站所有图文资料仅供用户学习参考,不作为任何商用或其他用途;
5、本站不保证下载资源的准确性、安全性和完整性, 不包修改,不支持退换,同时也不承担用户因使用这些下载资源对自己和他人造成任何形式的伤害或损失;
6、 下载文件中如有侵权或不适当内容,请与我们联系,我们立即纠正。