

作品包括:
Word设计说明书1份,共38页,约11000字
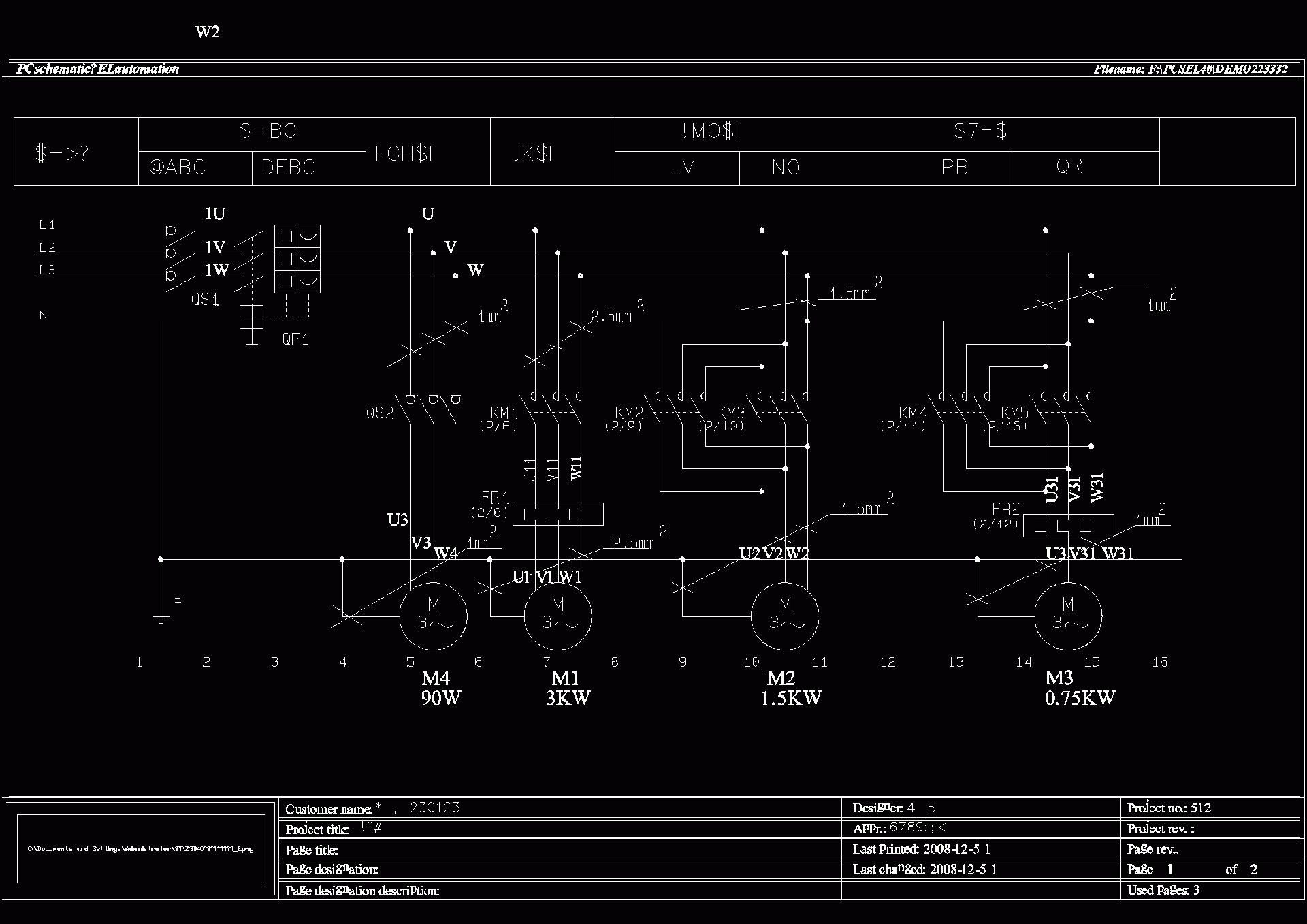
CAD版本图纸,共4张
摘要
钻床Z向进给系统改造设计 随着科学与技术的发展,计算机数字控制技术的日趋成熟。加工技术在世界的工业范围内都有了显著的提高。我国由于存在大量的金属切削机床,把它们全部淘汰不符合我国国情,所以对金属切削机床进行适当的数控化改造,提高生产效率是最明智的选择。本次设计是对台式钻床的工作台进行数控化改造。首先,了解台式钻床的结构,确定改造方案。其次,选择滚珠丝杠、步进电机和消隙齿轮等零件,来达到提高传动精度,减小加工误差的目的。第三,采用芯片控制代替原有的电气控制形式,达到提高控制精度、减小响应时间和减小占地空间等目的,并且可视化的数控代码编程和模拟加工过程,可以提前发现程序的纰漏。最后,利用PLC可编程控制器对液压回路等进行控制,方便工程技术人员编写和使用。本次设计的结果可以顺利达到设计任务的要求,完成X、Y两方向单独运行和同时运行,提高了加工效率。普通机床数控化改造的技术可以广泛的应用在机械加工行业中。工程技术人员也应掌握并创新该项技术为振兴我国机械制造业而努力。
温馨提示:
1、题目前面的备注【字母数字编号】为本站整理分类的编号,与课题内容无关,请选题时忽视;
2、若题目上备注三维,则表示文件里包含三维源文件,由于三维组成零件数量较多,为保证预览截图的简洁性,本站将三维文件夹进行了打包。三维及CAD预览截图,均为本站电脑打开软件进行截图的,保证能够打开,下载原件超高清,下载后解压即可;
3、本站所有资源如无特殊说明,都需要本地电脑安装Office2007。图纸软件为AutoCAD,PROE,UG,SolidWorks,CATIA等;
4、本站所有图文资料仅供用户学习参考,不作为任何商用或其他用途;
5、本站不保证下载资源的准确性、安全性和完整性, 不包修改,不支持退换,同时也不承担用户因使用这些下载资源对自己和他人造成任何形式的伤害或损失;
6、 下载文件中如有侵权或不适当内容,请与我们联系,我们立即纠正。