

作品包括:
Word版说明书一份,95页,约28000字
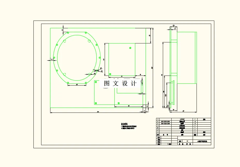
CAD版本图纸,共5张
摘 要
针对传统钻探行业施工过程中设备搬迁困难、钻孔效率低以及无法倾斜钻探等问题,研制、改进新一代高效可倾
式钻探设备则显得尤为必要。该矿用钻机改型过程中所面对的若干问题进行了较为详细研究,并对关键件加工过程出现
的工艺文体进行分析和调整。
通过调研了解到,对钻孔深度100米左右的钻机需求量比较大,而目前的100米钻机,存在着劳动强度大、适应性差等缺
点。鉴于以上原因,我们决定开发100米钻机。经几次方案讨论决定,钻机应具有以下特点:经济耐用可靠、质优价廉;
便于解体搬运;体积小,重量轻;操作简单,维修方便;适用于Φ42、Φ50mm两种钻杆;
适用于合金钻头或金刚石钻头钻进;钻进速度快,效率高;动力为电机或柴油机。
关键词:100米 变速箱 钻机
目 录
摘要 Ⅰ
ABSTRACT Ⅱ
绪论 1
第1章 总体设计 2
第2章 钻机的主要技术特性 3
第3章 动力确定 5
3.1 回转钻进及破碎岩层,土层所需功率 5
3.2 进给油缸所需功率计算 6
3.2.1 进给油缸的基本参数 6
3.2.2 油缸工作压力计算 6
3.2.3 油泵最大工作流量计算 7
3.2.4 进给油缸功率 7
3.3 动力机功率的确定 7
第4章 机械传动系统设计 10
4.1 要参数的选择 10
4.1.1 回转器 10
4.1.2 升降机 10
4.1.3 变速箱 10
4.2 机械传动系统 10
第5章 回转器 12
5.1 结构特点 12
5. 2 零部件的强度与寿命计算 12
5.2.1 齿面按接触疲劳强度计算 13
5.2.2 弯曲疲劳强度极限应力 13
第6章 变速箱的设计与计算 15
6.1 变速箱的结构特点 15
6.2 零件的强度计算 15
6.3 齿轮的强度计算 15
6.4 轴系零部件强度与寿命的校核计算 20
第7章 绞 车 24
7.1 结构特点 24
7.2 主要参数的选择 24
7.3 绞车所需功率 25
7.4 零部件的强度及寿命计算 25
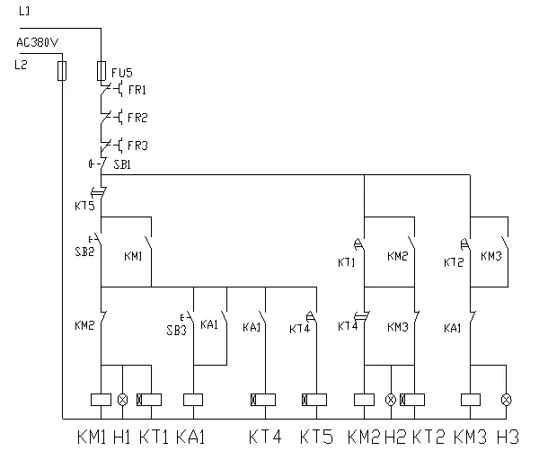
第8章 液压系统的设计与计算 31
8.1 液压卡盘的设计与计算 31
8.2 进给油缸的设计 33
第9章 钻机的使用说明书 35
总结 50
致谢 51
参考文献 52
专题 轴的机械加工工艺过程 53
附录1 59
附录2 68
温馨提示:
1、题目前面的备注【字母数字编号】为本站整理分类的编号,与课题内容无关,请选题时忽视;
2、若题目上备注三维,则表示文件里包含三维源文件,由于三维组成零件数量较多,为保证预览截图的简洁性,本站将三维文件夹进行了打包。三维及CAD预览截图,均为本站电脑打开软件进行截图的,保证能够打开,下载原件超高清,下载后解压即可;
3、本站所有资源如无特殊说明,都需要本地电脑安装Office2007。图纸软件为AutoCAD,PROE,UG,SolidWorks,CATIA等;
4、本站所有图文资料仅供用户学习参考,不作为任何商用或其他用途;
5、本站不保证下载资源的准确性、安全性和完整性, 不包修改,不支持退换,同时也不承担用户因使用这些下载资源对自己和他人造成任何形式的伤害或损失;
6、 下载文件中如有侵权或不适当内容,请与我们联系,我们立即纠正。