

作品包括:
Word设计说明书1份,共80页,约32000字
CAD版本图纸,共8张

摘要
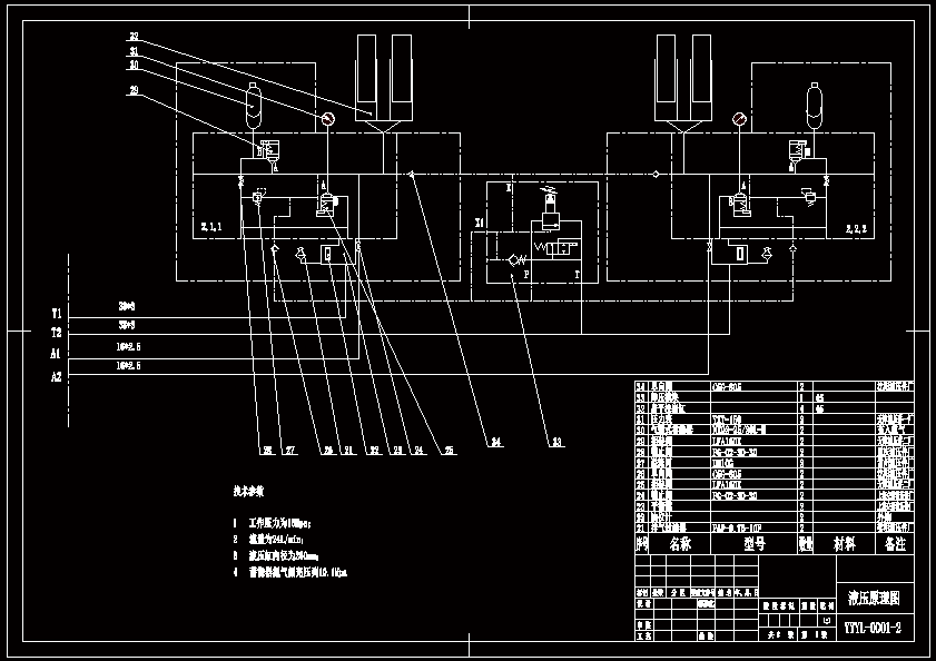
辊式破碎机是一种粉碎中软物料的矿山机械,设计的辊式破碎机液压加压系统的主要目的是通过限位块来调整两个辊子之间的间隙。 早期的小型辊式破碎机的加压系统主要是由蝶簧来完成的,用手柄来预调整两辊之间的间隙,当粉碎物料时,用蝶簧来维持两辊之间的间隙,当碰到较硬物料时,弹簧被压缩,然后再进行复位,而近期研制的液压加压系统来控制两辊子之间的间隙,较之蝶簧有很大的改进,它的灵敏度高,控制准确,可调压力范围也较大。 设计的液压加压系统的原理是:启动电机后,油泵将油送到三位四通电磁换向阀、叠加式液控单向阀和双集流节流阀的模块接口,当三位四通电磁换向阀的电磁线圈动作后,油受压力作用流到控制模块,当两位两通换向阀的电磁线圈带电后,控制模块中的插装阀提升,并通过阀座表面短路使插装阀关闭,插装阀关闭(密封)的特点是液压油作用在液压缸活塞表面上并推动其离开底面。当达到预加压力后三位四通电磁换向阀失电,此时液压缸保持在当时的位置,而气囊式蓄能器此时已在带油侧预增压到最小工作压力,此时就可以通过三位四通电磁换向阀向液压缸加压。由于保护作用,辊压机在遇到异物作用后有快速泄压作用,当压力超过最大设定压力时,压力开关阀打开,并允许液压油经过插装阀弹簧侧回流到油箱。
温馨提示:
1、题目前面的备注【字母数字编号】为本站整理分类的编号,与课题内容无关,请选题时忽视;
2、若题目上备注三维,则表示文件里包含三维源文件,由于三维组成零件数量较多,为保证预览截图的简洁性,本站将三维文件夹进行了打包。三维及CAD预览截图,均为本站电脑打开软件进行截图的,保证能够打开,下载原件超高清,下载后解压即可;
3、本站所有资源如无特殊说明,都需要本地电脑安装Office2007。图纸软件为AutoCAD,PROE,UG,SolidWorks,CATIA等;
4、本站所有图文资料仅供用户学习参考,不作为任何商用或其他用途;
5、本站不保证下载资源的准确性、安全性和完整性, 不包修改,不支持退换,同时也不承担用户因使用这些下载资源对自己和他人造成任何形式的伤害或损失;
6、 下载文件中如有侵权或不适当内容,请与我们联系,我们立即纠正。