

作品包括:
Word设计说明书1份
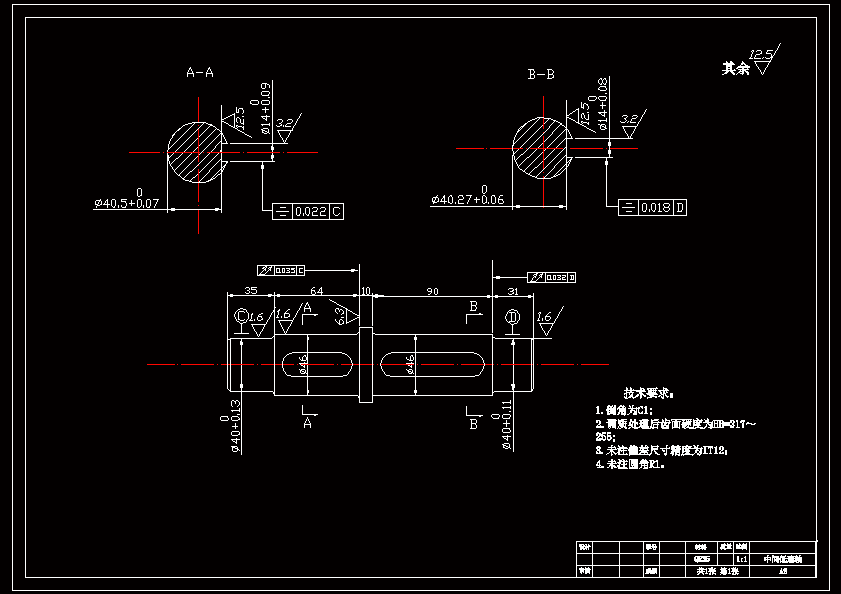
CAD版本图纸,共17张

摘要
本课题所设计的自动送料机构的目的,是为了实现自动送料,消除积累误差,同时减少劳动力成本。在设计过程中,主要是设计了工作台以及工作台面上的夹紧装置和利用机械传动,滚珠丝杠的选用,以及可以实现自动送料的电机。通过对这些方面的设计和研究,可以大大减少劳动力成本,减少了误差,同时也简化了机构。这在实际生产中具有很好的推广效果和意义。
温馨提示:
1、题目前面的备注【字母数字编号】为本站整理分类的编号,与课题内容无关,请选题时忽视;
2、若题目上备注三维,则表示文件里包含三维源文件,由于三维组成零件数量较多,为保证预览截图的简洁性,本站将三维文件夹进行了打包。三维及CAD预览截图,均为本站电脑打开软件进行截图的,保证能够打开,下载原件超高清,下载后解压即可;
3、本站所有资源如无特殊说明,都需要本地电脑安装Office2007。图纸软件为AutoCAD,PROE,UG,SolidWorks,CATIA等;
4、本站所有图文资料仅供用户学习参考,不作为任何商用或其他用途;
5、本站不保证下载资源的准确性、安全性和完整性, 不包修改,不支持退换,同时也不承担用户因使用这些下载资源对自己和他人造成任何形式的伤害或损失;
6、 下载文件中如有侵权或不适当内容,请与我们联系,我们立即纠正。