

作品包括:
Word设计说明书1份,共53页,约27000字
外文翻译一份
CAD版本图纸,共9张
摘要
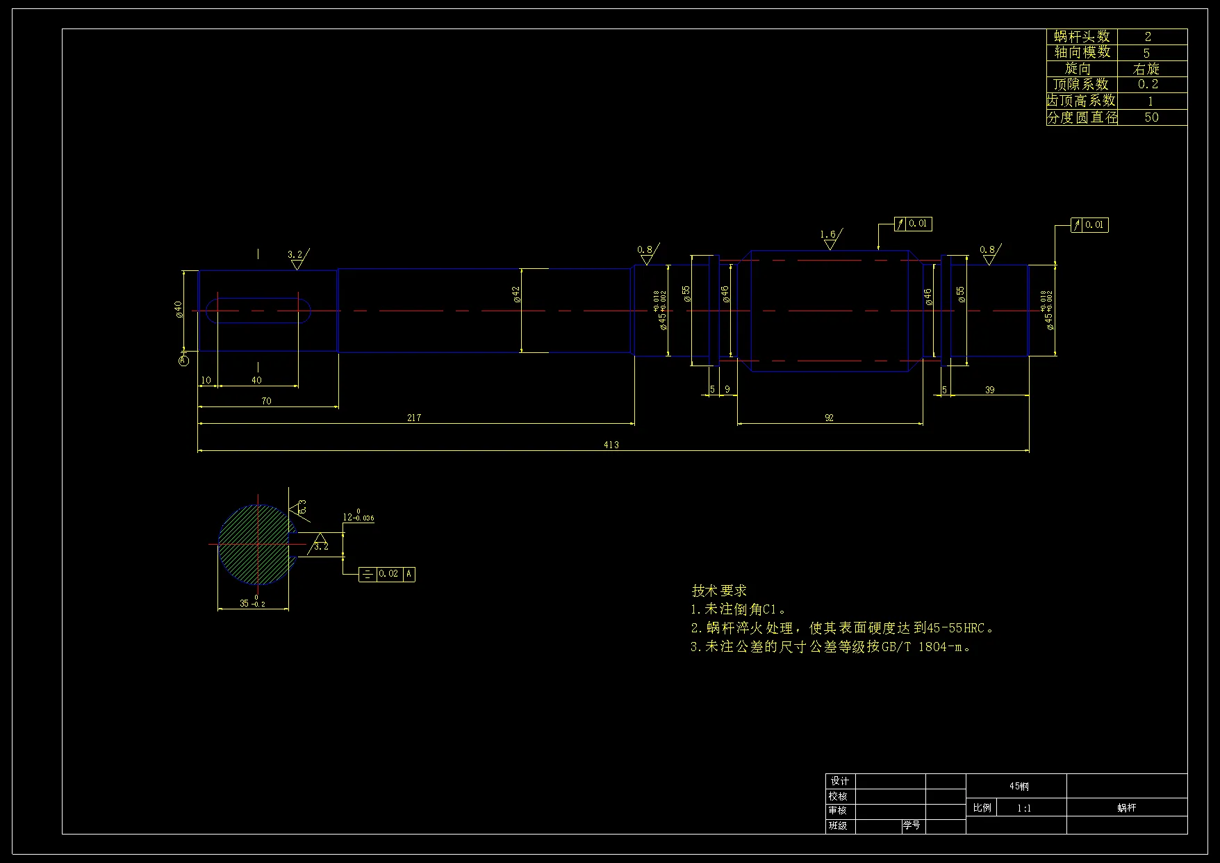
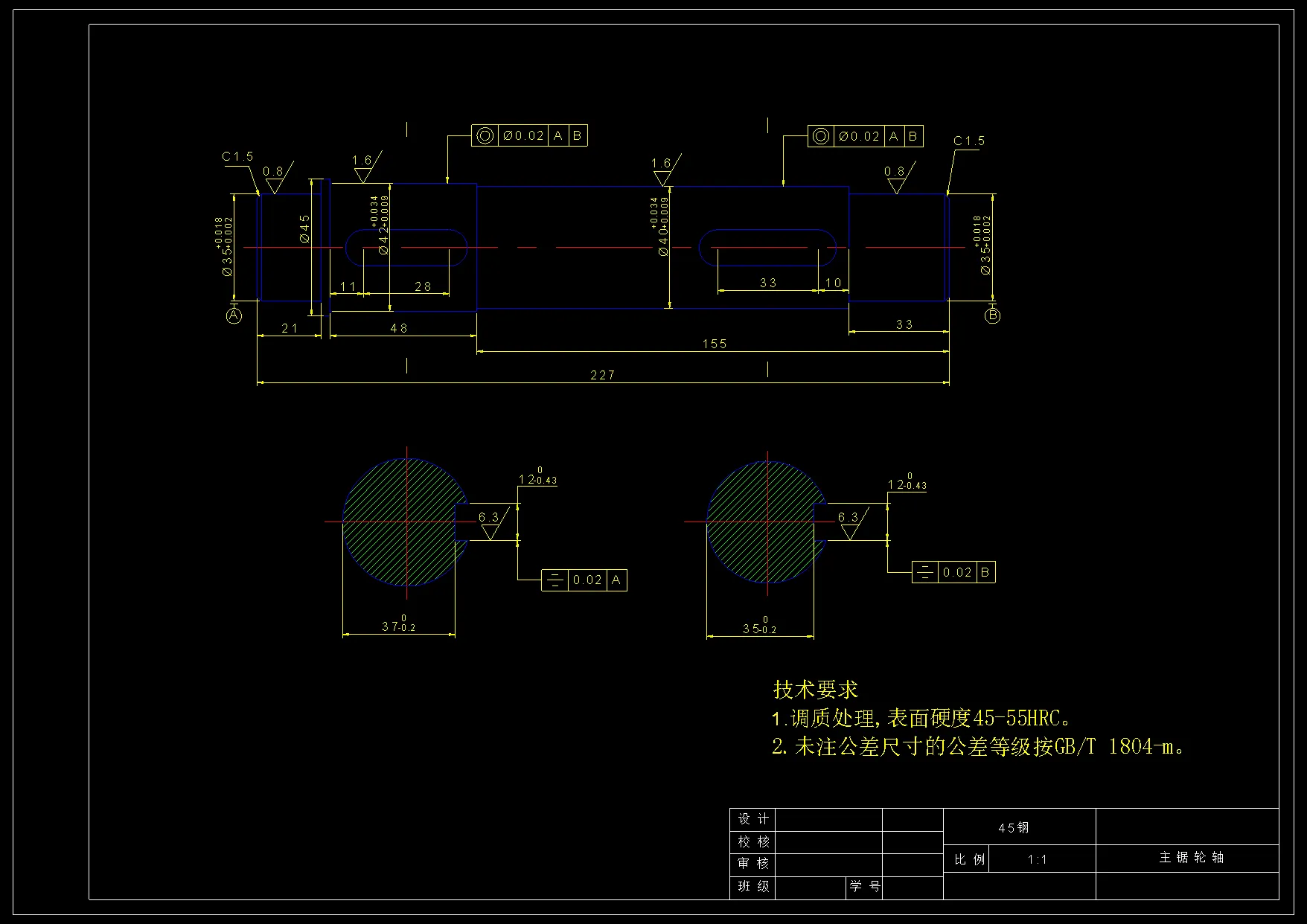
良好的锯切可显著降低工件对二次加工的要求,减少产品制造成本。金属带锯床是实现锯切加工的机器,本课题根据实际需求,设计一台卧式金属带锯床。在充分了解锯床组成及工作原理的基础上,建立锯床性能指标,提出了锯床整体设计方案。通过对带锯条主要参数的了解及锯条运动的分析,获得了锯切力基本计算公式,为锯架主要尺寸的确定及所选锯条强度的校核提供了理论基础。由变频电机、带传动、蜗轮蜗杆构成的锯床传动系统,可轻易的实现锯切速度的调整。带锯的进给、工件的夹紧、物料的输送均通过液压系统得以实现,控制方便,自动化程度较高。利用比例流量阀实现了带锯进给的微调节,对实现锯切过程自适应控制有非常不错的效果。
温馨提示:
1、题目前面的备注【字母数字编号】为本站整理分类的编号,与课题内容无关,请选题时忽视;
2、若题目上备注三维,则表示文件里包含三维源文件,由于三维组成零件数量较多,为保证预览截图的简洁性,本站将三维文件夹进行了打包。三维及CAD预览截图,均为本站电脑打开软件进行截图的,保证能够打开,下载原件超高清,下载后解压即可;
3、本站所有资源如无特殊说明,都需要本地电脑安装Office2007。图纸软件为AutoCAD,PROE,UG,SolidWorks,CATIA等;
4、本站所有图文资料仅供用户学习参考,不作为任何商用或其他用途;
5、本站不保证下载资源的准确性、安全性和完整性, 不包修改,不支持退换,同时也不承担用户因使用这些下载资源对自己和他人造成任何形式的伤害或损失;
6、 下载文件中如有侵权或不适当内容,请与我们联系,我们立即纠正。