

作品包括:
Word设计说明书1份,共55页,约20000字
开题报告一份
外文翻译一份
CAD版本图纸,共5张
摘要
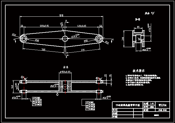
本次设计主要进行的工作装置的设计。装载机采掘和卸载货物的作业是通过工作装置的运动实现的。装载机的工作装置由铲斗、动臂、摇臂、连杆及液压系统等组成。铲斗用以铲装物料,动臂和动臂油缸的作用是提升铲斗并使之与车架连接,转斗油缸通过摇臂、连杆使铲斗转动。动臂的升降和铲斗的转动采用液压操作。 针对装载机的发展概况及设计的指导思想、特点、任务进行概述,随后确定了设计方案,在技术设计部分罗列了ZY40装载机的主要技术性能和参数,进行了牵引特性计算,工作装置设计。工作装置设计中有工作装置运动分析,由铲斗、动臂、连杆机构进行设计几部分组成。强度校核部分进行了受力分析,校核了强度。总之,整个设计是有序地完成的。
温馨提示:
1、题目前面的备注【字母数字编号】为本站整理分类的编号,与课题内容无关,请选题时忽视;
2、若题目上备注三维,则表示文件里包含三维源文件,由于三维组成零件数量较多,为保证预览截图的简洁性,本站将三维文件夹进行了打包。三维及CAD预览截图,均为本站电脑打开软件进行截图的,保证能够打开,下载原件超高清,下载后解压即可;
3、本站所有资源如无特殊说明,都需要本地电脑安装Office2007。图纸软件为AutoCAD,PROE,UG,SolidWorks,CATIA等;
4、本站所有图文资料仅供用户学习参考,不作为任何商用或其他用途;
5、本站不保证下载资源的准确性、安全性和完整性, 不包修改,不支持退换,同时也不承担用户因使用这些下载资源对自己和他人造成任何形式的伤害或损失;
6、 下载文件中如有侵权或不适当内容,请与我们联系,我们立即纠正。