

作品包括:
Word设计说明书1份,共45页,约15000字
CAD版本图纸,共17张
Catia三维图一套

摘要
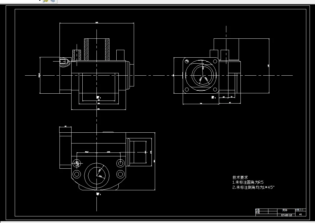
循环球式转向器是由螺母与丝杠传动副以及齿扇轴与螺母传动副二个部分组成。螺母与丝杠传动副是由里面的钢珠联系起来的,而齿扇轴与螺母传动副则是通过齿之间的啮合联系的,最终完成了力的传递。
本文首先对汽车转向器目前研究的概况和发展趋势做出了阐述说明,研究BJ2020车型汽车转向系统,整理出汽车转向系统的设计要求,然后根据汽车的类型、汽车的前后轴的负荷以及汽车的用途选择了初步的转向器类型,随后进行汽车转向器选型分析并完成总结,完成循环球式转向器各项主要参数的选择,并根据循环球式转向器的角传动比、传动效率以及使用用途并参考以往的成功车的型号对循环球式向器的强度和具体参数进行了计算,再进行循环球式转向器性能分析最后完成设计图纸以及设计说明书。设计最后用建模的方式画出了转向器的三维设计图,从立体的角度反映了转向器的结构功能。还有零件图,画出了循环球式转向器零件的尺寸。装配图画出了各个零件之间的配合,更全面反映了循环球式转向器的结构。受力分析则清晰的展现了循环球式转向器的各种受力情况。
设计最后完成了BJ2020转向器从结构形式的初步选择到制造工艺最后布置的所有设计,所有设计合乎标准。
关键词:循环球式转向器;工艺布置;受力分析
目 录
摘 要 I
ABSTRACT II
1 绪论 1
1.1 课题背景 1
1.2 转向器的介绍 1
1.3 国外的研究现状 5
1.4 国内的研究现状 5
1.5 本课题研究的主要内容 6
1.6 本章小结 7
2 转向器的设计与参数选择 8
2.1 转向器的主要使用性能参数 8
2.2 主要尺寸参数的选择 10
2.3 循环球式转向器的强度校核 18
2.4 转向摇臂轴直径的确定 20
2.5 本章小结 21
3 建模及受力分析 22
3.1 二维工程图 22
3.2 三维零件图 24
3.3 受力分析 27
3.4 本章小结 30
4 结 论 31
参考文献 32
附录1:外文翻译 33
附录2:翻译原文 37
致 谢 41
温馨提示:
1、题目前面的备注【字母数字编号】为本站整理分类的编号,与课题内容无关,请选题时忽视;
2、若题目上备注三维,则表示文件里包含三维源文件,由于三维组成零件数量较多,为保证预览截图的简洁性,本站将三维文件夹进行了打包。三维及CAD预览截图,均为本站电脑打开软件进行截图的,保证能够打开,下载原件超高清,下载后解压即可;
3、本站所有资源如无特殊说明,都需要本地电脑安装Office2007。图纸软件为AutoCAD,PROE,UG,SolidWorks,CATIA等;
4、本站所有图文资料仅供用户学习参考,不作为任何商用或其他用途;
5、本站不保证下载资源的准确性、安全性和完整性, 不包修改,不支持退换,同时也不承担用户因使用这些下载资源对自己和他人造成任何形式的伤害或损失;
6、 下载文件中如有侵权或不适当内容,请与我们联系,我们立即纠正。