

作品包括:
Word版说明书1份,共73页,约38000字
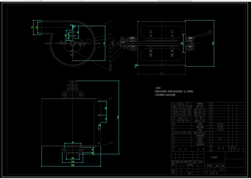
CAD版本图纸,共13张
摘要
脱粒机是在场上进行作业的一种固定式机具。它的作用是将割下的作物进行脱粒、分离和清选,以便获得所需的谷粒。它是提高生产率,改善劳动条件;节省劳动力,减少损失,确保丰产、丰收的重要手段。
本机采用了弓齿滚筒式结构设计,利用打击搓擦与摩擦原理进行脱粒。通过调节风板、调节风扇的给风量,进而调节去杂能力。抛扬滚筒可以优选出小麦种子,使脱粒机更实用。
本机结构简单、体积小、重量轻、造价低,更便于搬运,适用于耕地面积小,脱粒工作量中等的地区使用。性能稳定可靠,脱粒、清选、优选可同时完成。满足脱粒要求的同时更能保持脱粒后小麦的完好。
关键词:弓齿;滚筒;脱粒;弓齿滚筒式小麦脱粒机
目 录
第1章 引言 1
1.1 脱粒装置概述 1
1.2 脱粒机的种类 2
1.2.1 根据喂入方式分 2
1.2.2 根据机器性能的完善程度分 3
1.2.3 根据谷物相对脱粒滚筒的运动情况分 3
1.2.4 根据脱粒滚筒的外形 7
1.2.5 其他 7
1.3 谷物清选原理 8
1.3.1. 按照谷粒的空气动力特性进行分离 8
1.3.2. 按谷粒的基本物理性质分离 11
1.3.3. 利用气流和筛子配合进行分离 15
1.4 脱粒机的工作性能 15
1.5 脱粒机脱粒不良的原因及排除 16
第二章 整体方案的设计 17
2.1 机架 17
2.2 脱粒装置 17
2.3 清选装置 18
2.4 传动机构 18
2.5 优选滚筒 18
2.6 防护罩 18
第3章 详细设计 19
3.1脱粒滚筒的设计 19
3.1.1 滚筒的转速 19
3.1.2 滚筒齿的排列 19
3.1.3 脱粒齿的形状及尺寸 20
3.1.4 脱粒间隙 20
3.1.5 滚筒形状 21
3.1.6 喂入装置 21
3.2 脱粒滚筒的功率耗用 21
3.2.1功率计算原理分析 21
3.2.2 功率计算 23
3.3 电动机选择 23
3.3.1 电动机类型及结构型式选择 24
3.3.2 电动机额定转速选择 26
3.3.3 电动机额定电压选择 26
3.3.4 电动机工作制选择 26
3.4带传动设计 27
3.4.1 电机-脱粒滚筒皮带轮设计 28
3.4.2 电动机—风机皮带轮传动设计 29
3.4.3 脱粒滚筒-优选滚筒平带交叉传动设计 31
3.5 风机设计 34
3.5.1 风机分类 35
3.5.2 离心风机的选用原则 37
3.5.3 风机计算 38
3.6 轴的设计与校核 42
3.6.1 风机轴 43
3.6.2 脱粒滚筒轴 44
3.7 轴承的选择与校核 45
3.7.1 轴承的使用条件与环境条件 46
3.7.2 轴承配置方式的选择 46
3.7.3 轴承安装 46
3.7.4 轴承校核 47
第四章 脱粒机的正确使用与常见故障分析 50
4.1 脱粒机的安装检查 50
4.2 脱粒机的调整 51
4.3 脱粒机的维护与保管 51
4.4 脱粒机常见故障分析 52
总结 52
参考文献 53
温馨提示:
1、题目前面的备注【字母数字编号】为本站整理分类的编号,与课题内容无关,请选题时忽视;
2、若题目上备注三维,则表示文件里包含三维源文件,由于三维组成零件数量较多,为保证预览截图的简洁性,本站将三维文件夹进行了打包。三维及CAD预览截图,均为本站电脑打开软件进行截图的,保证能够打开,下载原件超高清,下载后解压即可;
3、本站所有资源如无特殊说明,都需要本地电脑安装Office2007。图纸软件为AutoCAD,PROE,UG,SolidWorks,CATIA等;
4、本站所有图文资料仅供用户学习参考,不作为任何商用或其他用途;
5、本站不保证下载资源的准确性、安全性和完整性, 不包修改,不支持退换,同时也不承担用户因使用这些下载资源对自己和他人造成任何形式的伤害或损失;
6、 下载文件中如有侵权或不适当内容,请与我们联系,我们立即纠正。