JJ5968-手机保护壳注塑模具设计【含UG三维图】
YA375-液晶支架注塑模具设计【含UG三维图】
JJ5967-塑料挂钩注塑模设计【含Proe三维图】
JJ5966-温控器垫块塑料模具设计
JJ5965-空调防尘罩注塑模具设计【含Proe三维图】
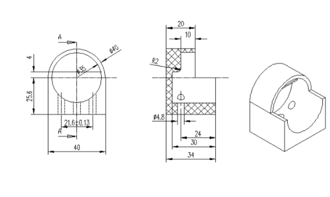
JJ5964-轴套注塑模具设计-长21
JJ5963-粗瞄镜座注射模具设计
JJ5962-底座注射注塑模具设计-长40
JJ5959-圆形透孔盖注塑模具设计-长73
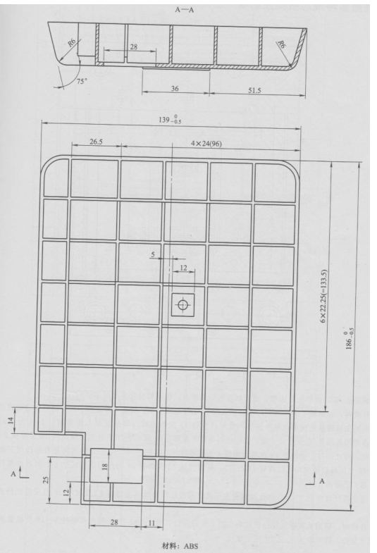
JJ5958-折页盒塑料注塑模具设计-长308
JJ5958-折页盒塑料注塑模具设计【含Proe三维图】
Z1320-折页盒注射成型工艺与模具设计
JJ5956-折页盒塑料成型工艺及模具设计-长323
JJ5955-轮盘注塑模具设计
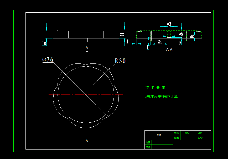
JJ5953-座盖注塑模具设计【花形端盖】-外径76
JJ5952-卡盒上盖注塑模具设计【含UG三维图】
JJ5951-ABS支承座注射模具的设计【含UG三维图】
JJ5950-支承座注塑模具设计-长60
JJ5949-遥控器电池后盖注塑模具设计【含Proe三维图】
JJ5948-便携式酸碱指示仪壳体注塑模具设计【含UG三维图】