

作品包括:
word版本说明书一份,12页5800字
CAD版本图纸,共9张
塑料模具课程设计
说明书
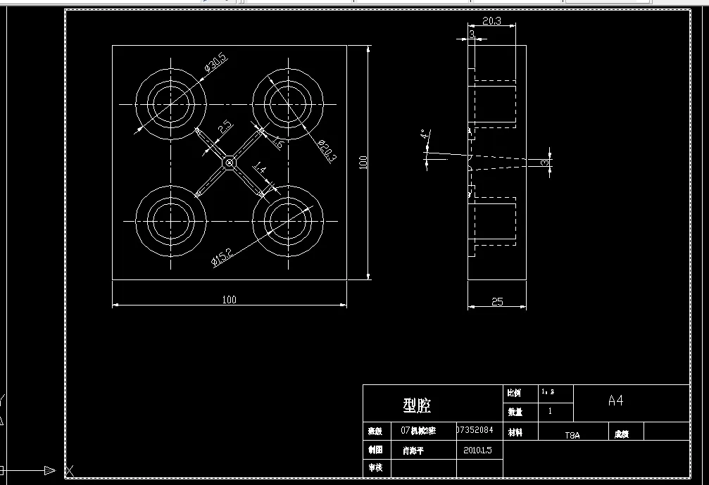
一、设计题目:衬套注射模具
二、设计条件
产品名称:衬套
产品材料:尼龙(PA6)
产品数量:月产100000件
产品特点:衬套是用途非常广泛的零件,零件简单,产量大。要求一模四件,并设计冷却管道。
三、设计任务
1、进行塑件的工艺分析
2、选择设备的类型和规格
3、选择模具的成型方案,确定模具的成型结构
4、进行模具结构、尺寸的设计计算
5、绘制模具的所有零件图(标准件除外)
6、绘制模具的总装配图(用三维CAD绘制),制出明细表。
7、编写设计说明书
温馨提示:
1、题目前面的备注【字母数字编号】为本站整理分类的编号,与课题内容无关,请选题时忽视;
2、若题目上备注三维,则表示文件里包含三维源文件,由于三维组成零件数量较多,为保证预览截图的简洁性,本站将三维文件夹进行了打包。三维及CAD预览截图,均为本站电脑打开软件进行截图的,保证能够打开,下载原件超高清,下载后解压即可;
3、本站所有资源如无特殊说明,都需要本地电脑安装Office2007。图纸软件为AutoCAD,PROE,UG,SolidWorks,CATIA等;
4、本站所有图文资料仅供用户学习参考,不作为任何商用或其他用途;
5、本站不保证下载资源的准确性、安全性和完整性, 不包修改,不支持退换,同时也不承担用户因使用这些下载资源对自己和他人造成任何形式的伤害或损失;
6、 下载文件中如有侵权或不适当内容,请与我们联系,我们立即纠正。