

作品包括:
Word版说明书1份,共30页,约10000字
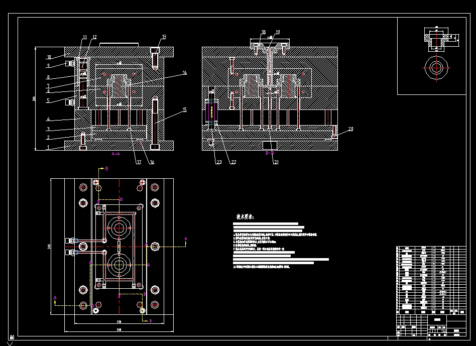
CAD版本图纸,共6张

目 录
第1章 绪论1
1.1前言1
1.2我国模具行业发展现状1
第2章 塑件技术要求及工艺分析2
2.1 塑件分析2
2.2材料性能分析2
2.2.1聚苯乙烯PS的性能3
2.2.2PS物理和化学性能指标4
第3章 注射机的选择4
3.1对于型腔数目的确定4
3.2 塑件的体积质量分析4
3.3工艺参数的校核5
3.3.1注射量的校核5
3.3.2注射机锁模力计算验证6
3.3.3注射压力的校核6
3.3.4模具厚度的校核7
3.3.5对开模行程的校核7
4.1 分型面的位置8
4.2 型腔排列方式选择9
第5章 浇注系统10
5.1浇注系统的作用10
5.2浇注系统的组成10
5.3主浇道设计10
5.4分流道设计11
5.5浇口的设计12
5.6冷料穴和拉杆的设计13
第6章 成型零件设计14
6.1型腔结构设计14
6.2型芯结构设计15
6.3成形零件钢材选用的基本要求15
6.4成形零件工作尺寸计算15
6.4.1工作尺寸分类和确定15
6.4.2 型腔尺寸计算15
7.1推出机构的确定18
7.2脱模机构的设计原则18
7.3 脱模力计算19
7.4 确定推杆直径尺寸19
7.5复位装置20
第8章 冷却及排气系统的设计20
8.1冷却系统的设计准则21
8.2冷却系统和冷却介质21
8.3 冷却系统的简略计算21
第9章 模架的选用23
9.1确定内模镶块尺寸23
9.2选择模架的类型23
第10章 导向机构的设计24
10.1导柱的设计24
10.2 导套设计24
第11章模具工程图绘制25
11.1模具总装图25
模具开合模过程25
第13章 总 结26
参考文献27
致 谢28
温馨提示:
1、题目前面的备注【字母数字编号】为本站整理分类的编号,与课题内容无关,请选题时忽视;
2、若题目上备注三维,则表示文件里包含三维源文件,由于三维组成零件数量较多,为保证预览截图的简洁性,本站将三维文件夹进行了打包。三维及CAD预览截图,均为本站电脑打开软件进行截图的,保证能够打开,下载原件超高清,下载后解压即可;
3、本站所有资源如无特殊说明,都需要本地电脑安装Office2007。图纸软件为AutoCAD,PROE,UG,SolidWorks,CATIA等;
4、本站所有图文资料仅供用户学习参考,不作为任何商用或其他用途;
5、本站不保证下载资源的准确性、安全性和完整性, 不包修改,不支持退换,同时也不承担用户因使用这些下载资源对自己和他人造成任何形式的伤害或损失;
6、 下载文件中如有侵权或不适当内容,请与我们联系,我们立即纠正。