

作品包括:
Word版说明书1份,共28页,约15000字
CAD版本图纸,共7张
UG三维图一份


摘要
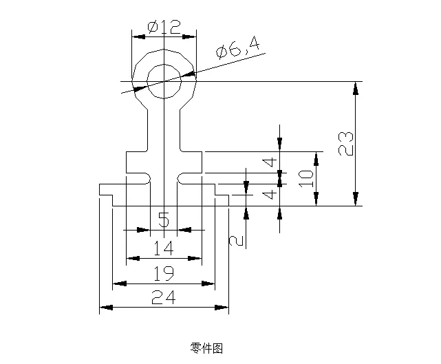
根据塑料香皂盒底制品的要求,了解塑件的用途,分析塑件的工艺性、尺寸精度等技术要求,选择塑件制件尺寸。本模具采用一模二件,点浇口进料,注射机采用海天80XB型号,设置冷却系统,CAD和UG绘制二维总装图和零件图,选择模具合理的加工方法。附上说明书,系统地运用简要的文字,简明的示意图和和计算等分析塑件,从而作出合理的注塑模具设计。
关键词:香皂盒底;一模二件;点浇口;注射机;冷却系统;注塑模具
目录
摘要I
Abstract II
第1章绪论1
1.1塑料简介1
1.2注塑成型及注塑模1
第2章塑件成型工艺分析3
2.1塑件二维工程图和三维立体图3
2.2塑件的材料分析3
2.2.1塑料材料的基本特性3
2.2.2塑件材料成型性能4
2.2.3塑件材料主要用途4
2.3塑件的结构和尺寸精度表面质量分析4
2.3.1塑件的结构设计4
2.3.2塑件尺寸及精度5
2.3.3塑件表面粗糙度6
2.4计算塑件的体积、质量和表面积6
第3章塑件成型方案设计7
3.1分型面选择7
3.2型腔数的确定7
3.3型腔布局7
3.4浇注系统的类型和位置的选择8
3.4.1浇注系统组成8
3.4.2确定浇注系统的原则8
3.5成型零件结构设计8
3.5.1型腔设计9
3.5.2型芯设计9
3.6脱模结构设计10
3.6.1脱模机构的选用原则10
3.6.2脱模机构类型的选择10
3.6.3推杆机构具体设计10
3.7导向与定位机构设计10
3.8顺序分型机构设计11
3.9排气及引气系统的设计11
3.10模温调节系统的设计12
3.11模架选用12
3.11.1确定模具的基本类型12
3.11.2模架的选择13
第4章模具设计14
4.1模具成型零件尺寸计算14
4.2模具强度与刚度校核14
4.3脱模力的计算14
4.4浇注系统的设计15
4.4.1主流道的设计15
4.4.2分主流道的设计16
4.4.3浇口的设计16
4.4.4拉料杆的设计16
4.4.5冷料井的设计16
4.5模具冷却系统的设计17
4.5.1制品所需冷却时间的计算17
4.5.2冷却介质一边所需传热面积的设计计算17
第5章注射机的选用及相关参数的校核18
5.1相关参数19
5.2最大注塑量校核20
5.3锁模力校核20
5.4模具与注塑机安装部分相关尺寸校核20
5.5开模行程校核21
总结22
致谢23
参考文献24
温馨提示:
1、题目前面的备注【字母数字编号】为本站整理分类的编号,与课题内容无关,请选题时忽视;
2、若题目上备注三维,则表示文件里包含三维源文件,由于三维组成零件数量较多,为保证预览截图的简洁性,本站将三维文件夹进行了打包。三维及CAD预览截图,均为本站电脑打开软件进行截图的,保证能够打开,下载原件超高清,下载后解压即可;
3、本站所有资源如无特殊说明,都需要本地电脑安装Office2007。图纸软件为AutoCAD,PROE,UG,SolidWorks,CATIA等;
4、本站所有图文资料仅供用户学习参考,不作为任何商用或其他用途;
5、本站不保证下载资源的准确性、安全性和完整性, 不包修改,不支持退换,同时也不承担用户因使用这些下载资源对自己和他人造成任何形式的伤害或损失;
6、 下载文件中如有侵权或不适当内容,请与我们联系,我们立即纠正。