

作品包括:
Word版说明书1份,共31页,约8900字
外文翻译一份
CAD版本图纸,共19张

摘要
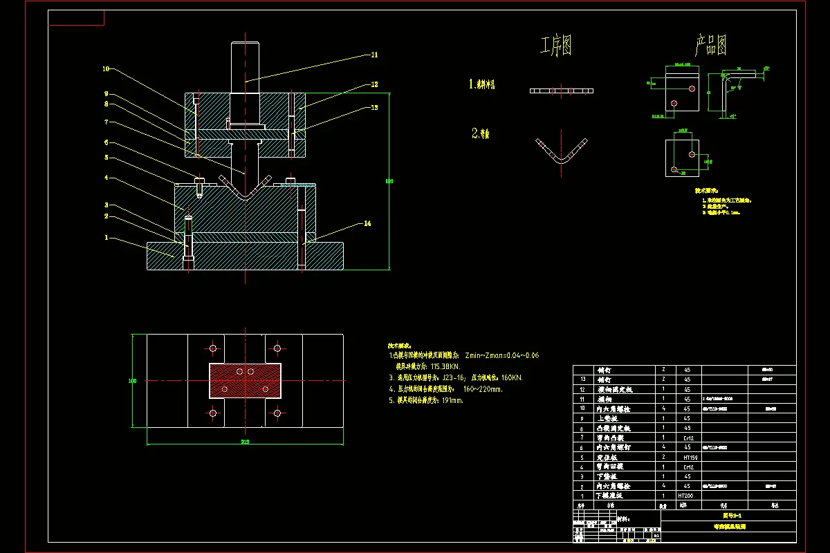
本设计课题的主要任务是对支架弯曲件的冲压模具设计与制造——采用的冲裁材料是Q235A。
在设计的过程由于产品是对称型零件,在精度方面要求不高,但在设计过程中需考虑产品的对称度问题和生产产品的平整度问题,以及模具的使用周期。因此为提高产品的合格率,以及其对尺寸的公差精度要求,决定采用冲裁复合模完成冲孔、落料两道工序。从冲裁片的结构形状和生产批量来看,模具应采用倒装式复合模。随后,使用弯曲模对零件再进行90度弯曲,且因零件结构一般,可一次成型。
在此次设计中共设计出两副模具,一副为倒装式复合模,落料与冲孔复合,以及弹性卸料,导料钉导料的方式进行生产,且其弹性元件为橡胶。另副模具为弯曲模,采用定位板进行定位,产品向上弯曲。
关键词:支架弯曲片、复合模、弯曲模、倒装式
目录
1.前言
1.1模具技术的历史与发展水平………………………………………………3
1.1.1模具CAD/CAM技术的应用与展…………………………………………4
1.1.2模具设计与制造能力状况………………………………………………4
1.2模具在现代工业中的地位…………………………………………………4
1.3模具工业未来的发展………………………………………………………4
2.产品工艺定制与分析
2.1零件材料分析………………………………………………………………5
2.2零件结构分析………………………………………………………………5
2.3零件尺寸精度分析…………………………………………………………5
2.4冲压工艺方案………………………………………………………………6
3.排样图的设计
3.1排样图设计步骤……………………………………………………………8
3.2影响排样的因素……………………………………………………………9
3.3材料利用率的计算…………………………………………………………10
4.工艺计算
4.1冲压力的计算………………………………………………………………11
4.2弯曲力的计算………………………………………………………………11
4.3压力中心的计算……………………………………………………………11
4.4冲床的选择…………………………………………………………………12
5.定距方式与导正销
5.1定距方式……………………………………………………………………13
5.2导正销………………………………………………………………………13
6.凸模凹模结构和安装
6.1冲孔凸模的设计……………………………………………………………14
6.2落料凸模结构的选择………………………………………………………14
6.3弯曲模凸、凹模的设计……………………………………………………15
6.4凸、凹模刃口尺寸的计算…………………………………………………16
7.冲压模具零件的编制
7.1凹模板加工工艺过程………………………………………………………17
7.2凸模加工工艺过程…………………………………………………………18
7.3卸料板加工工艺过程………………………………………………………18
7.4凸模固定板加工工艺过程…………………………………………………19
8.复合模各种机构的设计
8.1卸料装置的设计……………………………………………………………20
8.2垫板以及模架的选用………………………………………………………20
8.3紧固与安装要求……………………………………………………………21
8.4模具的结构分析……………………………………………………………22
9.复合模总装图…………………………………………………………………23
10.弯曲模总装图…………………………………………………………………24
12.材料…………………………………………………………………………25
12.结论…………………………………………………………………………26
13.致谢…………………………………………………………………………27
14.参考文献……………………………………………………………………28
温馨提示:
1、题目前面的备注【字母数字编号】为本站整理分类的编号,与课题内容无关,请选题时忽视;
2、若题目上备注三维,则表示文件里包含三维源文件,由于三维组成零件数量较多,为保证预览截图的简洁性,本站将三维文件夹进行了打包。三维及CAD预览截图,均为本站电脑打开软件进行截图的,保证能够打开,下载原件超高清,下载后解压即可;
3、本站所有资源如无特殊说明,都需要本地电脑安装Office2007。图纸软件为AutoCAD,PROE,UG,SolidWorks,CATIA等;
4、本站所有图文资料仅供用户学习参考,不作为任何商用或其他用途;
5、本站不保证下载资源的准确性、安全性和完整性, 不包修改,不支持退换,同时也不承担用户因使用这些下载资源对自己和他人造成任何形式的伤害或损失;
6、 下载文件中如有侵权或不适当内容,请与我们联系,我们立即纠正。