

作品包括:
Word版说明书1份,共19页,约4900字
CAD版本图纸,共4张

摘要
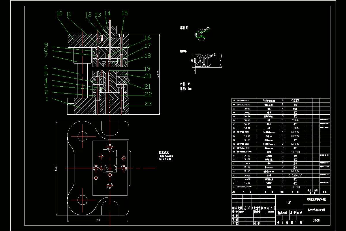
冷冲压模具结构简单实用,使用方便可靠,根据此次课程设计垫片的几何形状要求、材料和尺寸分析得出凸模的结构,采用复合模冲压,这样有利于提供高生产效率,模具设计和制造也相对简单。分析该零件的排样形式得出材料利用率,画排样图。计算冲裁力、压力中心和刃口尺寸,再进行整体设计。当所有的参数计算完后,对模具的装备方案,主要零件的设计和装备技术要求进行分析。设计出主要零部件,再对标准件进行选取和加工制造。最后选择压力机,校核压力机是否合格。在设计过程中除了设计说明书外,还包括模具的装配图和零件图。
温馨提示:
1、题目前面的备注【字母数字编号】为本站整理分类的编号,与课题内容无关,请选题时忽视;
2、若题目上备注三维,则表示文件里包含三维源文件,由于三维组成零件数量较多,为保证预览截图的简洁性,本站将三维文件夹进行了打包。三维及CAD预览截图,均为本站电脑打开软件进行截图的,保证能够打开,下载原件超高清,下载后解压即可;
3、本站所有资源如无特殊说明,都需要本地电脑安装Office2007。图纸软件为AutoCAD,PROE,UG,SolidWorks,CATIA等;
4、本站所有图文资料仅供用户学习参考,不作为任何商用或其他用途;
5、本站不保证下载资源的准确性、安全性和完整性, 不包修改,不支持退换,同时也不承担用户因使用这些下载资源对自己和他人造成任何形式的伤害或损失;
6、 下载文件中如有侵权或不适当内容,请与我们联系,我们立即纠正。