

作品包括:
Word版说明书1份,共41页,约20000字
任务书一份
开题报告一份
外文翻译一份
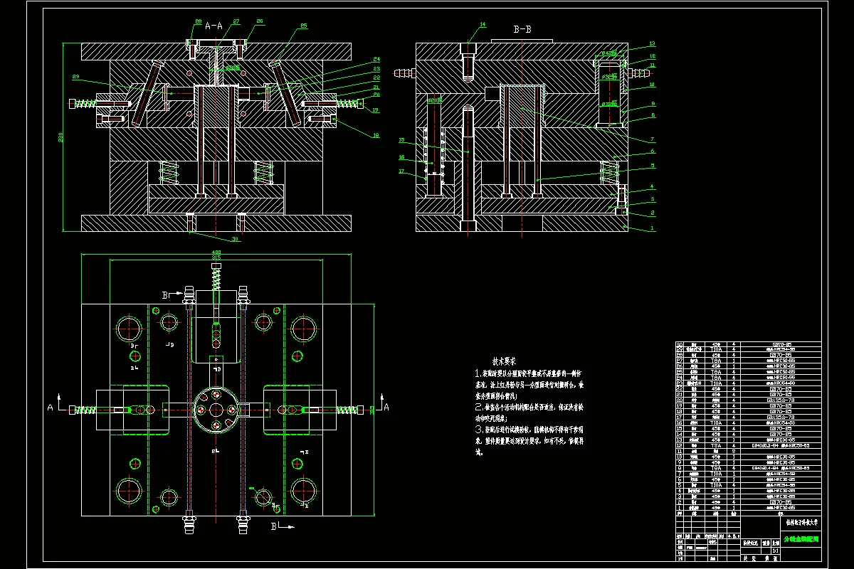
CAD版本图纸,共13张

摘要
分析降低塑料制件成本的方法,提出为了降低成本,将满足一定条件的几种规格形式的塑料制件用一副模具成型出来,就是一模多用模具;同时研究了一模多用注射模具三种形式的分类及条件,结合生产实例分析模具设计要点,模具巧妙结构特点等。经生产实践证明,在一定的条件下,使用一模多用注射模具可以减少模具数量,降低成本,大大提高企业的市场竞争力。
本课题针对分线盒进行产品的模具设计,通过对塑件进行工艺分析和比较,根据制品的结构及其用途性能,选择塑料的牌号及注射模成型的方法;分析塑件的性能、尺寸精度及设计的有关注意事项;阐述塑料的性能、成型特性以及工艺参数;根据模具材料选择的具体原则,选择模具各个部件的材料;本文重点讨论了模具结构设计的详细过程,最终各设计出一副注塑模。从产品结构工艺性和模具结构出发,对模具的浇注系统、模具成型部分的结构、分型面的选择、冷却系统、注塑机的选择及有关参数的校核都有详细的分析设计说明。通过完成该课题设计,熟悉了塑料模具设计的一般方法和流程,较好的完成了任务,实现了无纸化设计。通过整个设计过程,进一步的加深了对注塑模具的了解,同时巩固了对注塑模具的类型、结构、工作原理等的理性知识,以及在实践中总结并掌握模具设计的关键要点和设计方法。
温馨提示:
1、题目前面的备注【字母数字编号】为本站整理分类的编号,与课题内容无关,请选题时忽视;
2、若题目上备注三维,则表示文件里包含三维源文件,由于三维组成零件数量较多,为保证预览截图的简洁性,本站将三维文件夹进行了打包。三维及CAD预览截图,均为本站电脑打开软件进行截图的,保证能够打开,下载原件超高清,下载后解压即可;
3、本站所有资源如无特殊说明,都需要本地电脑安装Office2007。图纸软件为AutoCAD,PROE,UG,SolidWorks,CATIA等;
4、本站所有图文资料仅供用户学习参考,不作为任何商用或其他用途;
5、本站不保证下载资源的准确性、安全性和完整性, 不包修改,不支持退换,同时也不承担用户因使用这些下载资源对自己和他人造成任何形式的伤害或损失;
6、 下载文件中如有侵权或不适当内容,请与我们联系,我们立即纠正。