

作品包括:
Word版设计说明书1份
CAD版本图纸,共7张
摘要
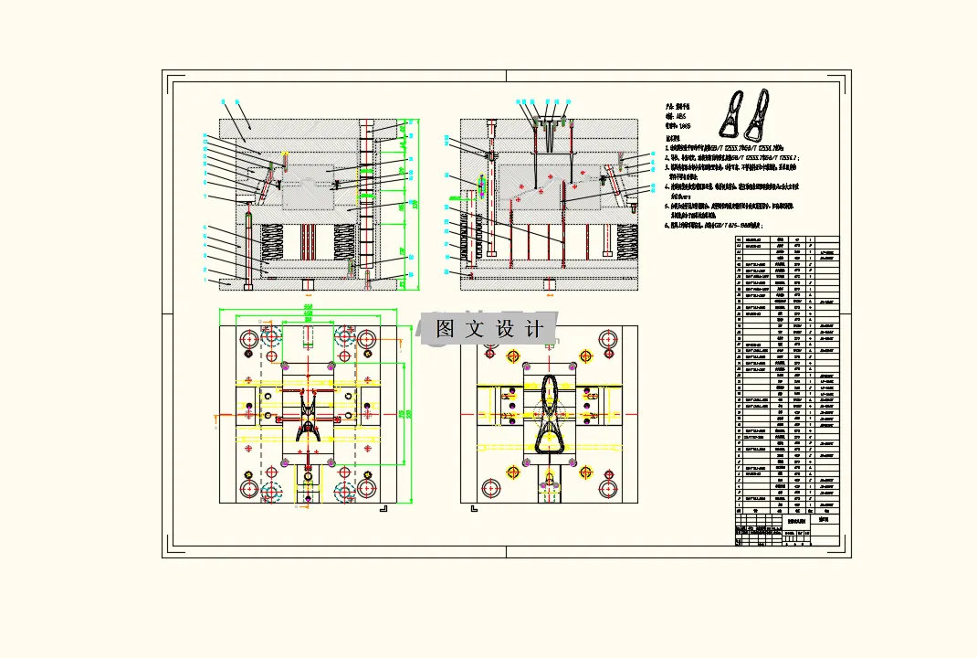
本次设计的塑料制件为手柄,选择 ABS 为注塑材料, 在它的设计过程中最重要的设计之处在于它侧边的 5 个孔,孔较小,需要用侧抽芯以及镶块来设计它的孔和凹凸处。由于把手柄的外形设计成不规则的形状,所以模具型腔型芯的设计也很重要,考虑到种种问题,最后我选择了一模一腔的形式。根据运用 moldflow 进行手柄的模流分析的结果,选择合适的注塑机,之后进行模具结构与浇注系统的设计, 在浇注系统的设计中我尝试了多种不同的浇口设计,但是根据分析报告我最后还是选择了点浇口,虽然在塑件表面,但是因为是点浇口,应该可以满足表面粗糙度的要求。此外还涉及到了成型系统、模具抽芯机构、模具温度系统的设计。
温馨提示:
1、题目前面的备注【字母数字编号】为本站整理分类的编号,与课题内容无关,请选题时忽视;
2、若题目上备注三维,则表示文件里包含三维源文件,由于三维组成零件数量较多,为保证预览截图的简洁性,本站将三维文件夹进行了打包。三维及CAD预览截图,均为本站电脑打开软件进行截图的,保证能够打开,下载原件超高清,下载后解压即可;
3、本站所有资源如无特殊说明,都需要本地电脑安装Office2007。图纸软件为AutoCAD,PROE,UG,SolidWorks,CATIA等;
4、本站所有图文资料仅供用户学习参考,不作为任何商用或其他用途;
5、本站不保证下载资源的准确性、安全性和完整性, 不包修改,不支持退换,同时也不承担用户因使用这些下载资源对自己和他人造成任何形式的伤害或损失;
6、 下载文件中如有侵权或不适当内容,请与我们联系,我们立即纠正。