

作品包括:
Word版设计说明书1份
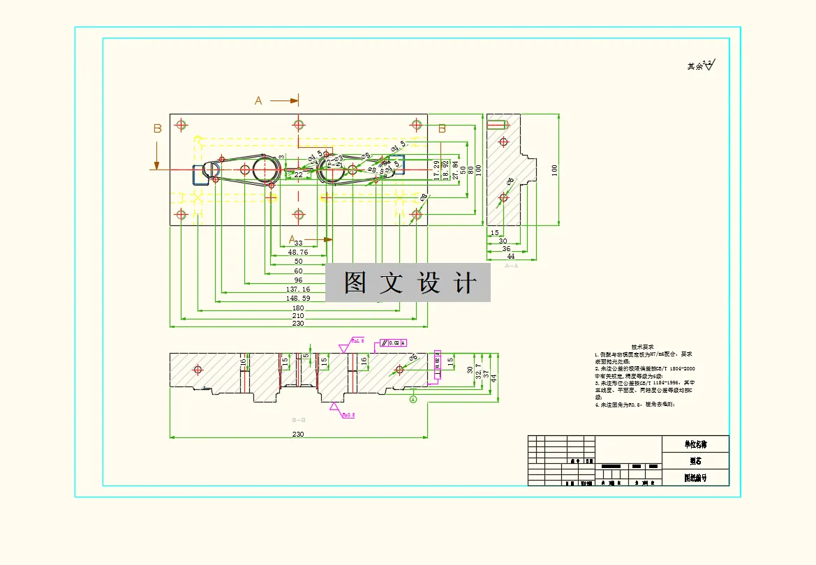
CAD版本图纸,共6张
摘要
本次设计的是瑞典 Axkid 儿童座椅之 LG5001 塑件的注塑成型模具设计及其浇注系统优化设计,前期通过测量塑件尺寸,通过 软件对塑件进行建模。确定本塑件的一些成型加工工艺,根据塑件的形状尺寸及其要求批量生产确定一模两腔。建模完成以后对塑件进行模拟流动分析,确定分型面。利用MOLDFLOW 软件进一步分析三种方案进行比较选择,最优的浇注方案的是潜伏式浇口,确定分型面。然后选择注塑机,校核参数。浇注系统的设计,成型零部件设计计算。排气系统,脱模机构,侧抽芯设计计算,最后冷却系统的设计计算。充分利用所学知识,与软件分析相结合
温馨提示:
1、题目前面的备注【字母数字编号】为本站整理分类的编号,与课题内容无关,请选题时忽视;
2、若题目上备注三维,则表示文件里包含三维源文件,由于三维组成零件数量较多,为保证预览截图的简洁性,本站将三维文件夹进行了打包。三维及CAD预览截图,均为本站电脑打开软件进行截图的,保证能够打开,下载原件超高清,下载后解压即可;
3、本站所有资源如无特殊说明,都需要本地电脑安装Office2007。图纸软件为AutoCAD,PROE,UG,SolidWorks,CATIA等;
4、本站所有图文资料仅供用户学习参考,不作为任何商用或其他用途;
5、本站不保证下载资源的准确性、安全性和完整性, 不包修改,不支持退换,同时也不承担用户因使用这些下载资源对自己和他人造成任何形式的伤害或损失;
6、 下载文件中如有侵权或不适当内容,请与我们联系,我们立即纠正。