

作品包括:
Word版设计说明书1份
CAD版本图纸,共5张
摘要
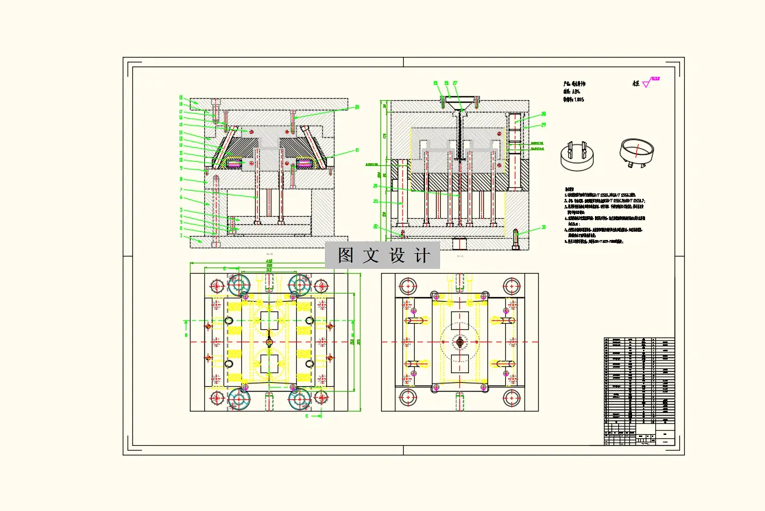
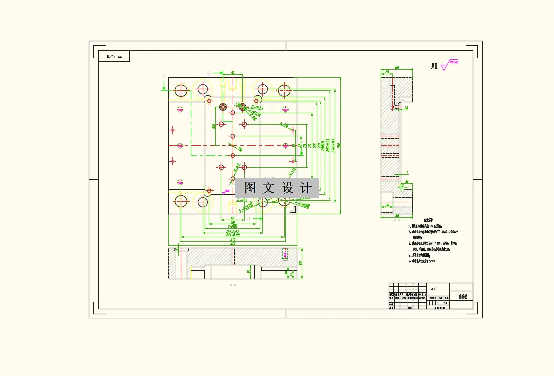
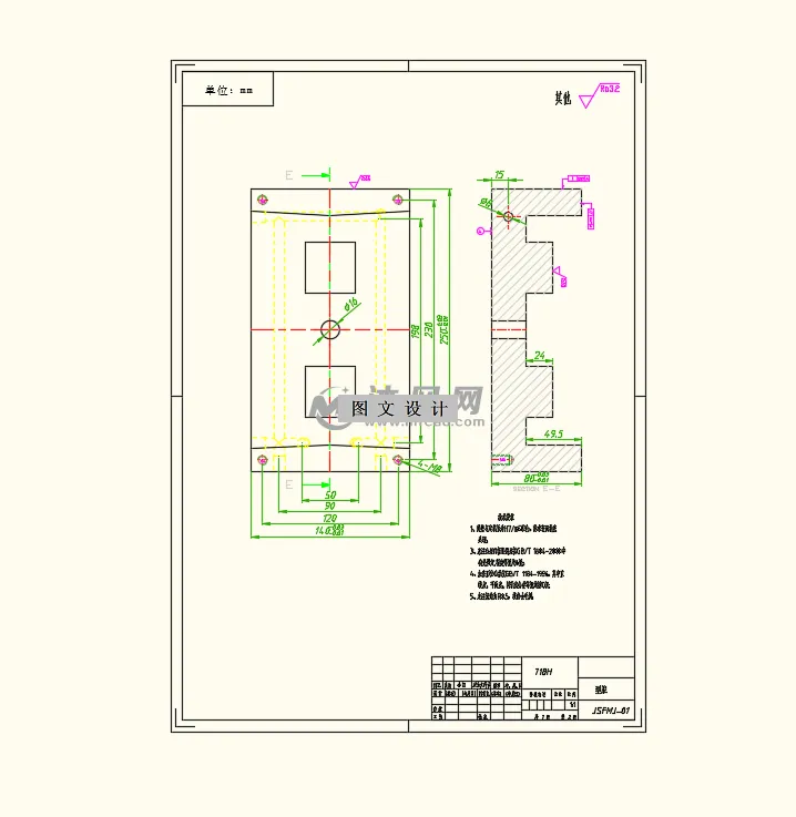
本设计是对日用品中的进水阀卡扣进行注塑模具的工艺设计。首先对进水阀卡扣相关加工参数和工艺要求,对注塑成型材料进行确定,选择ABS高分子材料作为注塑生产,选定好进水阀卡扣的注塑材料后,对模具的工艺参数进行分析,在基础上确定注塑机选用的型号为HTF110XB,以及对该型号的注塑机的可行性进行校核。然后对零部件的进行布局分析,本设计中采用的是2的布局形式。对模具分型面的确定,确定成型零部件的尺寸大小,以及对推出机构以及流道设计,完成模具的设计,确定模具的装配流程和注意事项及相关维护。本设计中结合大学学习到的相关知识,参考相关文献,结合其他机械制图的知识完成了进水阀卡扣的注塑模设计。
温馨提示:
1、题目前面的备注【字母数字编号】为本站整理分类的编号,与课题内容无关,请选题时忽视;
2、若题目上备注三维,则表示文件里包含三维源文件,由于三维组成零件数量较多,为保证预览截图的简洁性,本站将三维文件夹进行了打包。三维及CAD预览截图,均为本站电脑打开软件进行截图的,保证能够打开,下载原件超高清,下载后解压即可;
3、本站所有资源如无特殊说明,都需要本地电脑安装Office2007。图纸软件为AutoCAD,PROE,UG,SolidWorks,CATIA等;
4、本站所有图文资料仅供用户学习参考,不作为任何商用或其他用途;
5、本站不保证下载资源的准确性、安全性和完整性, 不包修改,不支持退换,同时也不承担用户因使用这些下载资源对自己和他人造成任何形式的伤害或损失;
6、 下载文件中如有侵权或不适当内容,请与我们联系,我们立即纠正。