

作品包括:
Word设计说明书1份
CAD版本图纸,共11张
UG三维图一套
摘要
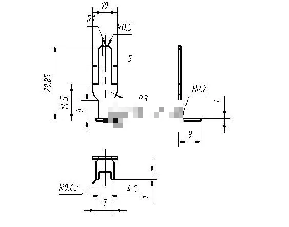
弯板单工序弯曲模具设计 设计本模具是为了制造普通弯板件。设计中分析了零件的结构及工艺性,拟订该零件的冲压工艺为“落料冲孔—弯曲”,其中弯曲需要多次弯曲。讨论了弯曲零件毛坯展开形状和尺寸的确定方法,设计了弯曲模,对关键零件的结构设计作了详细阐述,并指出了模具设计时的注意事项。其中,弯曲成形是本设计的重点,
温馨提示:
1、题目前面的备注【字母数字编号】为本站整理分类的编号,与课题内容无关,请选题时忽视;
2、若题目上备注三维,则表示文件里包含三维源文件,由于三维组成零件数量较多,为保证预览截图的简洁性,本站将三维文件夹进行了打包。三维及CAD预览截图,均为本站电脑打开软件进行截图的,保证能够打开,下载原件超高清,下载后解压即可;
3、本站所有资源如无特殊说明,都需要本地电脑安装Office2007。图纸软件为AutoCAD,PROE,UG,SolidWorks,CATIA等;
4、本站所有图文资料仅供用户学习参考,不作为任何商用或其他用途;
5、本站不保证下载资源的准确性、安全性和完整性, 不包修改,不支持退换,同时也不承担用户因使用这些下载资源对自己和他人造成任何形式的伤害或损失;
6、 下载文件中如有侵权或不适当内容,请与我们联系,我们立即纠正。