

作品包括:
Word设计说明书1份
CAD版本图纸,共13张
摘要
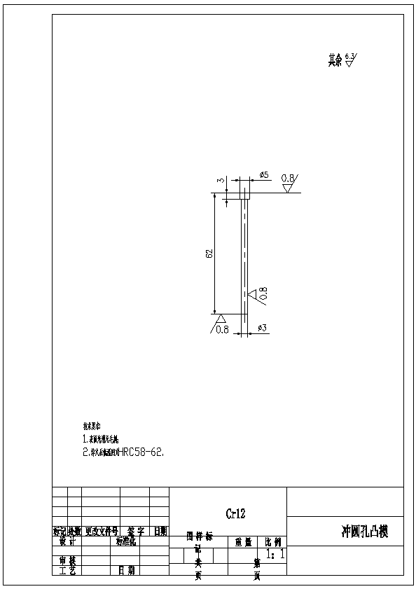
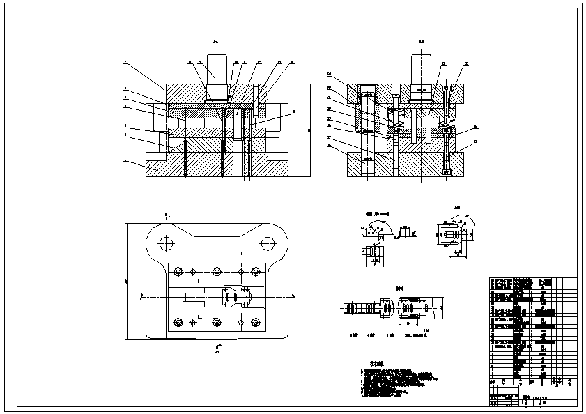
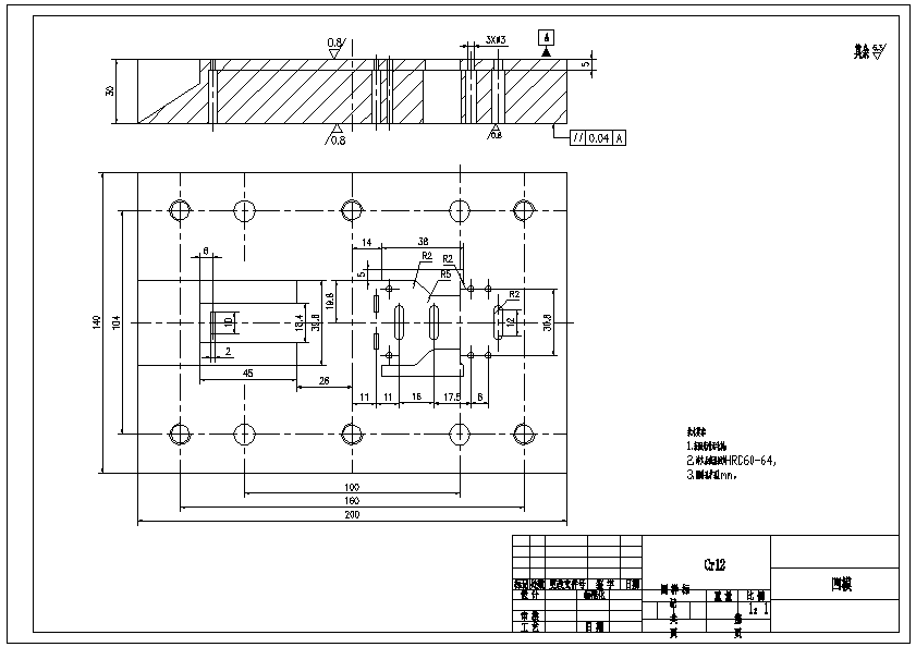
U形槽板冲压级进模设计 通过对工件的分析,发现工件具有落料、冲孔、弯曲三个主要工序,其中弯曲又多次弯曲,所以我们制定了一下三个生产方案。 方案一:采用单工序模,首先进行落料,然后冲孔,最后弯曲,弯曲工序需要单工序U形弯曲模具完成。 方案二:工件中的落料和冲孔工序依靠冲孔落料复合膜来完成,后面的弯曲工序需要采用1个单工序的弯曲模来完成。 方案三:使用级进模生产,采用侧刃定距可以保证工件的精度,首先完成冲孔切边,最后可以分别分步进行冲压弯曲。 方案对比: 方案一:模具结构数量有多个,而且来回更换模具,导致工件的精度难易保证。 方案二:和方案一一样,由于弯曲需要分为多次,所以工件的精度和定位都不太方便,而且模具数量较多,成本较高,也不能实现大批量生产。 方案三:采用一副模具完成,级进模可以包含多个工序,能够顺利完成,满足工件的生产要求。 所以,综上所述,使用级进模的方案最好,不但可以满足实际生产的需要,同时可以实现大批量生产。初步确定工件的生产工序为:侧刃定距冲孔、切边成形、空位、弯曲、落料。
温馨提示:
1、题目前面的备注【字母数字编号】为本站整理分类的编号,与课题内容无关,请选题时忽视;
2、若题目上备注三维,则表示文件里包含三维源文件,由于三维组成零件数量较多,为保证预览截图的简洁性,本站将三维文件夹进行了打包。三维及CAD预览截图,均为本站电脑打开软件进行截图的,保证能够打开,下载原件超高清,下载后解压即可;
3、本站所有资源如无特殊说明,都需要本地电脑安装Office2007。图纸软件为AutoCAD,PROE,UG,SolidWorks,CATIA等;
4、本站所有图文资料仅供用户学习参考,不作为任何商用或其他用途;
5、本站不保证下载资源的准确性、安全性和完整性, 不包修改,不支持退换,同时也不承担用户因使用这些下载资源对自己和他人造成任何形式的伤害或损失;
6、 下载文件中如有侵权或不适当内容,请与我们联系,我们立即纠正。