

作品包括:
Word设计说明书1份
CAD版本图纸,共10张
摘要
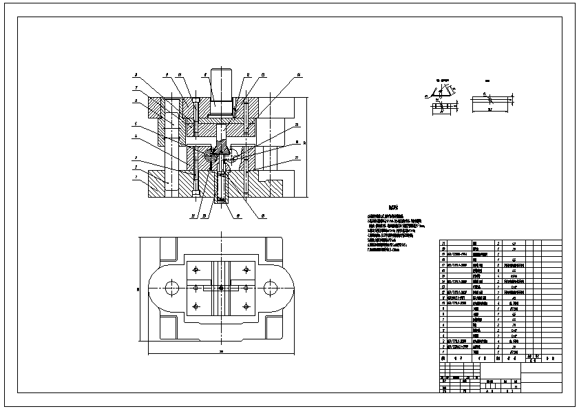
60度°弯板弯曲模设计 该零件结构较相对简单、形状对称,属于中等冲裁件。零件尺寸公差为IT14,但是由于工件采用U形弯曲,并且有向内弯曲,所以弯曲需要分为两步工序,首先进行U形预弯曲,然后采用最终向内弯曲。工件材料为10,材料的抗剪强度为260-360MPa,抗拉强度为330-450MPa,伸长率为32,屈服极限为200。本次设计只考虑弯曲模的设计。
温馨提示:
1、题目前面的备注【字母数字编号】为本站整理分类的编号,与课题内容无关,请选题时忽视;
2、若题目上备注三维,则表示文件里包含三维源文件,由于三维组成零件数量较多,为保证预览截图的简洁性,本站将三维文件夹进行了打包。三维及CAD预览截图,均为本站电脑打开软件进行截图的,保证能够打开,下载原件超高清,下载后解压即可;
3、本站所有资源如无特殊说明,都需要本地电脑安装Office2007。图纸软件为AutoCAD,PROE,UG,SolidWorks,CATIA等;
4、本站所有图文资料仅供用户学习参考,不作为任何商用或其他用途;
5、本站不保证下载资源的准确性、安全性和完整性, 不包修改,不支持退换,同时也不承担用户因使用这些下载资源对自己和他人造成任何形式的伤害或损失;
6、 下载文件中如有侵权或不适当内容,请与我们联系,我们立即纠正。