

作品包括:
Word设计说明书1份
CAD版本图纸,共5张
摘要
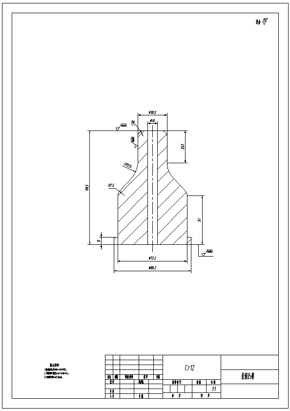
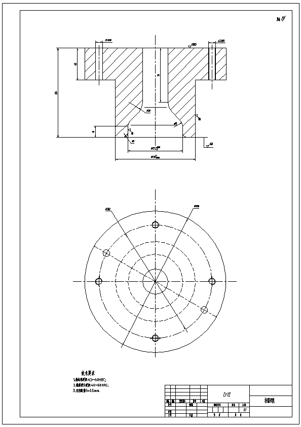
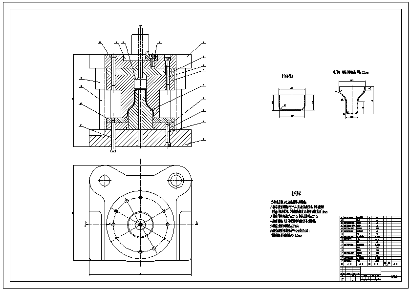
管子支架二次拉深冲压模具设计 本次设计的题目为管子支架的最后一次拉深模,工件如图所示,材料为10钢,厚度2.5mm,需要完成工件的最后一步拉深工序。拉深零件的结构工艺性是指拉深零件采用拉深成形工艺的难易程度。良好的工艺性是指坯料消耗少、工序少,模具结构简单、加工容易,产品质量稳定、废料少和操作简单方便等。在设计拉深零件时,应根据材料拉深时的变形特点和规律,提出满足工艺性的要求。
温馨提示:
1、题目前面的备注【字母数字编号】为本站整理分类的编号,与课题内容无关,请选题时忽视;
2、若题目上备注三维,则表示文件里包含三维源文件,由于三维组成零件数量较多,为保证预览截图的简洁性,本站将三维文件夹进行了打包。三维及CAD预览截图,均为本站电脑打开软件进行截图的,保证能够打开,下载原件超高清,下载后解压即可;
3、本站所有资源如无特殊说明,都需要本地电脑安装Office2007。图纸软件为AutoCAD,PROE,UG,SolidWorks,CATIA等;
4、本站所有图文资料仅供用户学习参考,不作为任何商用或其他用途;
5、本站不保证下载资源的准确性、安全性和完整性, 不包修改,不支持退换,同时也不承担用户因使用这些下载资源对自己和他人造成任何形式的伤害或损失;
6、 下载文件中如有侵权或不适当内容,请与我们联系,我们立即纠正。