

作品包括:
Word设计说明书1份,共32页,约10000字
CAD版本图纸,共25张

摘要
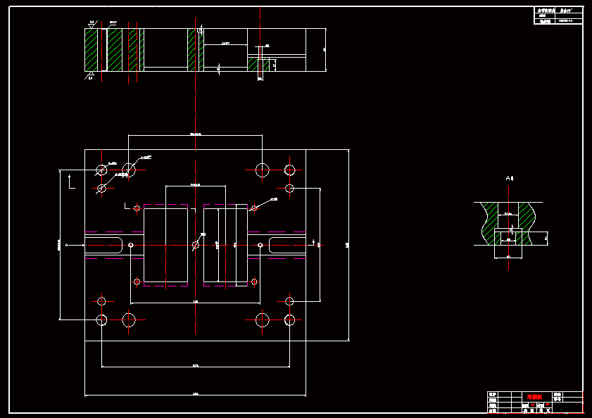
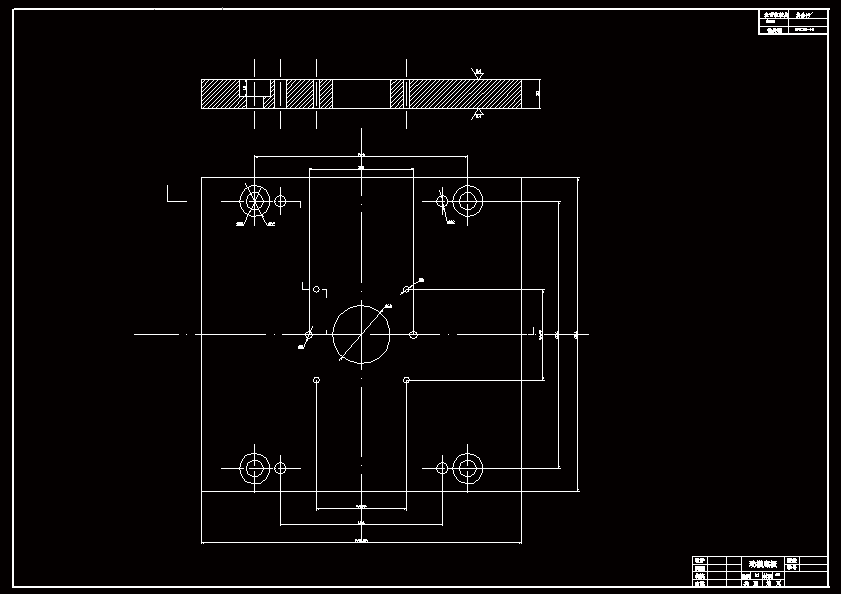
本套模具采用水平分型面,一模两腔的结构形式,浇口为侧浇口,从塑件的型腔开口处进料,设置在模具的分型面上。抽芯结构延用的是较为普遍的斜销抽芯结构。塑件顶出时采用了一腔12个顶杆的顶出结构。以及周围布置了4个复位杆,起动模复位作用合模导向结构利用四根导柱得以定位,保证模具的精度。该模具的精度上的最大特点就是采用了抽芯结构,既能准确地完成抽芯动作,同时也参与大部分的成型工作,这样不仅满足塑件的结构要求,而且避免成型零件间繁多的精密配合。
温馨提示:
1、题目前面的备注【字母数字编号】为本站整理分类的编号,与课题内容无关,请选题时忽视;
2、若题目上备注三维,则表示文件里包含三维源文件,由于三维组成零件数量较多,为保证预览截图的简洁性,本站将三维文件夹进行了打包。三维及CAD预览截图,均为本站电脑打开软件进行截图的,保证能够打开,下载原件超高清,下载后解压即可;
3、本站所有资源如无特殊说明,都需要本地电脑安装Office2007。图纸软件为AutoCAD,PROE,UG,SolidWorks,CATIA等;
4、本站所有图文资料仅供用户学习参考,不作为任何商用或其他用途;
5、本站不保证下载资源的准确性、安全性和完整性, 不包修改,不支持退换,同时也不承担用户因使用这些下载资源对自己和他人造成任何形式的伤害或损失;
6、 下载文件中如有侵权或不适当内容,请与我们联系,我们立即纠正。