

作品包括:
Word版说明书1份,共26页,约6000字
开题报告一份
CAD版本图纸,共5张
UG三维图一份
摘 要
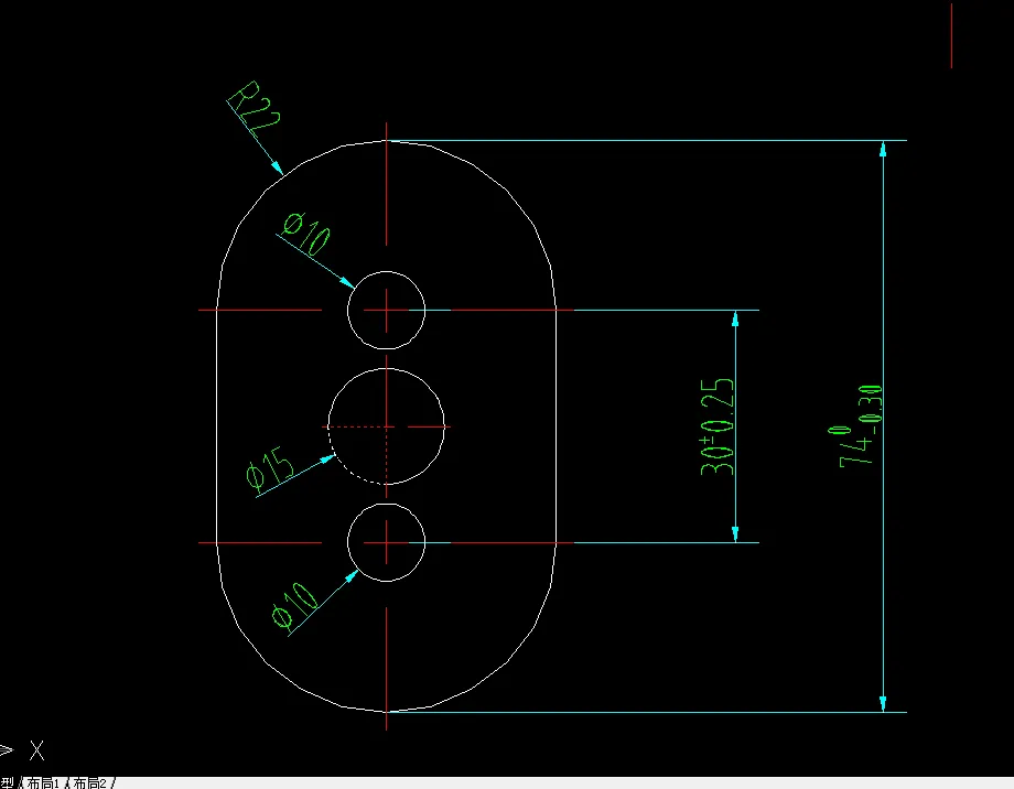
我这次所设计的是一个小垫片,这个垫片是我运用了两年的所学知识所设计出来的。这个垫片的设计,不仅仅是对我两年知识的审查,还能够提升自身的能力。这个垫片的设计概述了垫片的工艺特性、零件设计、模具设计。我采用了一套用来冲裁的模具,此设计在冲裁时我采用了倒装复合模,这样能够提高生产效率。在设计过程中,我使用了CAD、UG等现代模具设计软件。
关键词:倒装复合膜;Ug;Cad
目 录
前 言1
1 材料冲压性能分析2
1.1 材料的冲裁性能系数2
1.2 零件形状结构的冲压工艺性分析2
1.2.1零件尺寸精度的工艺性分析2
1.2.2冲裁件内外形公差3
1.2.3冲裁件的内孔尺寸公差3
1.2.4冲裁件的断面粗糙度与毛刺4
2冲裁工艺分析与确定5
2.1冲裁工艺5
2.1.1零件的冲裁工艺方案5
2.1.2 冲裁工艺的确定5
3 冲裁件排样方案的确定5
3.1 材料的利用率5
3.1.1 材料利用率的基本内容5
3.1.2 材料利用率的公式5
3.2 材料的搭边值6
3.2.1 搭边的基本内容6
3.2.2 搭边值的图表7
3.3 冲裁件的排样7
3.2.1 排样方式的确定7
4 凸凹模刃口尺寸与冲压力的确定8
4.1 凸凹模刃口尺寸计算原则和公式8
4.1.1 计算原则8
4.1.2 计算公式9
4.2 冲压力10
4.2.1 冲裁力10
4.2.2 卸料力、推件力、顶件力10
4.2.3 压力机的选取10
5 模具总结构图11
5.1 凹模板的设计11
5.1.1 凹模板的尺寸11
5.1.2 凹模板二维图12
5.2 凸模的设计12
5.2.1 凸模长度12
5.2.2 凸模二维图13
5.3 螺钉、销钉13
5.3.1 螺钉布置13
5.3.2 销钉布置14
总 结15
致 谢16
附 录17
参考文献19
温馨提示:
1、题目前面的备注【字母数字编号】为本站整理分类的编号,与课题内容无关,请选题时忽视;
2、若题目上备注三维,则表示文件里包含三维源文件,由于三维组成零件数量较多,为保证预览截图的简洁性,本站将三维文件夹进行了打包。三维及CAD预览截图,均为本站电脑打开软件进行截图的,保证能够打开,下载原件超高清,下载后解压即可;
3、本站所有资源如无特殊说明,都需要本地电脑安装Office2007。图纸软件为AutoCAD,PROE,UG,SolidWorks,CATIA等;
4、本站所有图文资料仅供用户学习参考,不作为任何商用或其他用途;
5、本站不保证下载资源的准确性、安全性和完整性, 不包修改,不支持退换,同时也不承担用户因使用这些下载资源对自己和他人造成任何形式的伤害或损失;
6、 下载文件中如有侵权或不适当内容,请与我们联系,我们立即纠正。