

作品包括:
Word版说明书1份,共26页,约5500字
开题报告一份
CAD版本图纸,共7张
UG三维图一份
摘 要
本文讲述的是关于垫片冷冲压模具的设计。运用三年所学知识对冷冲压模具制造进行系统的研究和分析,对比优劣,设计出相对合理的冷冲压模具。主要内容是从对零件的分析到最后模具设计完成的成型过程,其中涉及了冷冲压模具的特点、零件材料的选择、材料利用率、排样图绘制、凸凹模的设计、模架的选择等。绘制的模具总装配图和零件图。
关键词:冷冲压;排样图;凹凸模
目 录
前 言1
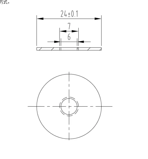
1 垫片零件2
2 冷冲压模具简介3
2.1 冷冲压模具概述、特点及应用3
2.1.1 冷冲压模具概述3
2.1.2 冷冲压模具特点3
2.1.3 冷冲压模具应用3
2.2 冷冲压模具的分类3
2.2.1 按工序性质可以分为3
2.2.2 按工序组合可分为4
3 材料5
3.1 材料的选择5
3.2 材料分析5
3.2.1 工件结构5
3.2.2 零件尺寸5
3.2.3 分析结论6
4 冲压工艺方案的确定7
5 工艺的计算8
5.1 排样方式8
5.2冲裁排样的设计8
5.2.1搭边值选取8
5.2.2 计算料宽B和步距S8
5.2.3 计算一个步距间的材料利用率η9
5.2.4 冲裁间隙9
5.2.5 板料规格10
5.2.6 冲裁力计算10
6 凸凹模分析12
6.1 凸凹模12
6.2凸凹模刃口尺寸的计算12
6.3凸凹模尺寸计算13
6.4凸凹模零件图14
7模具装配图16
总 结17
致 谢18
附 录19
参考文献20
温馨提示:
1、题目前面的备注【字母数字编号】为本站整理分类的编号,与课题内容无关,请选题时忽视;
2、若题目上备注三维,则表示文件里包含三维源文件,由于三维组成零件数量较多,为保证预览截图的简洁性,本站将三维文件夹进行了打包。三维及CAD预览截图,均为本站电脑打开软件进行截图的,保证能够打开,下载原件超高清,下载后解压即可;
3、本站所有资源如无特殊说明,都需要本地电脑安装Office2007。图纸软件为AutoCAD,PROE,UG,SolidWorks,CATIA等;
4、本站所有图文资料仅供用户学习参考,不作为任何商用或其他用途;
5、本站不保证下载资源的准确性、安全性和完整性, 不包修改,不支持退换,同时也不承担用户因使用这些下载资源对自己和他人造成任何形式的伤害或损失;
6、 下载文件中如有侵权或不适当内容,请与我们联系,我们立即纠正。