

作品包括:
Word版设计说明书1份,共55页,约12000字
任务书一份
开题报告一份
外文翻译一份
CAD版本图纸,共5张

摘要
本次设计为大洪山水利枢纽设计(心墙土石坝方案)。枢纽的主体工程由挡水建筑物,泄水建筑物组成。挡水建筑物采用心墙土石坝,泄水建筑物采用溢洪道。土石坝位于主河床上,溢洪道位于右岸,采用挑流消能。
目 录
前 言 1
第一部分 设计说明书 2
一 基本资料 2
1 气象特征 2
2 地形地貌 2
3 工程等别 2
4 计算风速及相应吹程 3
5 地震 3
6 水文资料 3
7 地质条件 3
二 坝址比选 5
1 方案一、上坝址方案 5
2 方案二、下坝址方案 5
三 坝型选择 5
1 重力坝方案 5
2 拱坝方案 5
3 土石坝方案 5
四 地基处理 6
五 坝体剖面的拟定 7
1 坝顶高程的计算 7
2 心墙设计 11
3 细部构造 11
六 渗流分析 13
1 Ⅰ-Ⅰ断面校核情况 15
2 Ⅰ-Ⅰ设计与正常情况 16
3 Ⅱ-Ⅱ断面校核情况 16
4 Ⅱ-Ⅱ设计与正常情况 17
2 总渗流量计算 18
3 校核 18
七 稳定分析 19
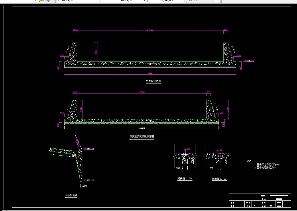
八 溢洪道设计 19
1 宽顶堰 20
2 渐变段 21
3 陡坡段 22
4 消能段 25
5 结构设计 27
第二部分 计算说明书 29
一 坝顶高程的计算 29
二 渗流计算 32
1 Ⅰ-Ⅰ断面校核情况 33
2 Ⅰ-Ⅰ设计与正常情况 34
3 Ⅱ-Ⅱ断面校核情况 35
4 Ⅱ-Ⅱ设计与正常情况 37
二 稳定分析 38
二 溢洪道 43
1 宽顶堰 43
2 渐变段 44
3 陡坡段 45
4 消能段 47
参考文献 50
谢 辞 51
附录 52
温馨提示:
1、题目前面的备注【字母数字编号】为本站整理分类的编号,与课题内容无关,请选题时忽视;
2、若题目上备注三维,则表示文件里包含三维源文件,由于三维组成零件数量较多,为保证预览截图的简洁性,本站将三维文件夹进行了打包。三维及CAD预览截图,均为本站电脑打开软件进行截图的,保证能够打开,下载原件超高清,下载后解压即可;
3、本站所有资源如无特殊说明,都需要本地电脑安装Office2007。图纸软件为AutoCAD,PROE,UG,SolidWorks,CATIA等;
4、本站所有图文资料仅供用户学习参考,不作为任何商用或其他用途;
5、本站不保证下载资源的准确性、安全性和完整性, 不包修改,不支持退换,同时也不承担用户因使用这些下载资源对自己和他人造成任何形式的伤害或损失;
6、 下载文件中如有侵权或不适当内容,请与我们联系,我们立即纠正。