

作品包括:
Word版设计说明书1份
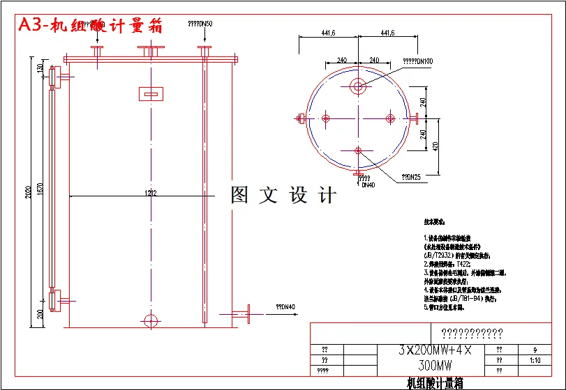
CAD版本图纸,共8张
摘要
3×200MW+4×300MW机组火力发电厂锅炉补给水处理课程设计(夏季水质)。在火力发电厂中如果汽水品质不符合规定:如进入锅炉的水中有易于沉积的杂质,就会在其运行的过程中发生结垢现象,垢可使炉管壁温过高、金属强度下降,发生局部变形、鼓包。甚至爆管;水质不良或者水工况欠佳会引起热力设备的腐蚀,腐蚀不仅会缩短设备本身的服役期,在金属腐蚀产物转入水汽中后会成为炉管上新的腐蚀源,带来更多的的腐蚀杂质促进炉管更快的腐蚀,形成恶性循环;水质问题还会引起锅炉产生的蒸汽不纯,而使蒸汽带出的杂质沉积在蒸汽的流通部位。过热器管内积盐会引起金属管壁温度过高,以致爆管。因此为降低锅炉炉管的腐蚀速率,减少炉管沉积物与结垢量,提高蒸汽品质,电厂中必须设置锅炉水处理系统,对原水进行化学加药除氧、过滤澄清除杂质、离子交换除盐等处理。
温馨提示:
1、题目前面的备注【字母数字编号】为本站整理分类的编号,与课题内容无关,请选题时忽视;
2、若题目上备注三维,则表示文件里包含三维源文件,由于三维组成零件数量较多,为保证预览截图的简洁性,本站将三维文件夹进行了打包。三维及CAD预览截图,均为本站电脑打开软件进行截图的,保证能够打开,下载原件超高清,下载后解压即可;
3、本站所有资源如无特殊说明,都需要本地电脑安装Office2007。图纸软件为AutoCAD,PROE,UG,SolidWorks,CATIA等;
4、本站所有图文资料仅供用户学习参考,不作为任何商用或其他用途;
5、本站不保证下载资源的准确性、安全性和完整性, 不包修改,不支持退换,同时也不承担用户因使用这些下载资源对自己和他人造成任何形式的伤害或损失;
6、 下载文件中如有侵权或不适当内容,请与我们联系,我们立即纠正。