

作品包括:
Word版设计说明书1份
外文翻译一份
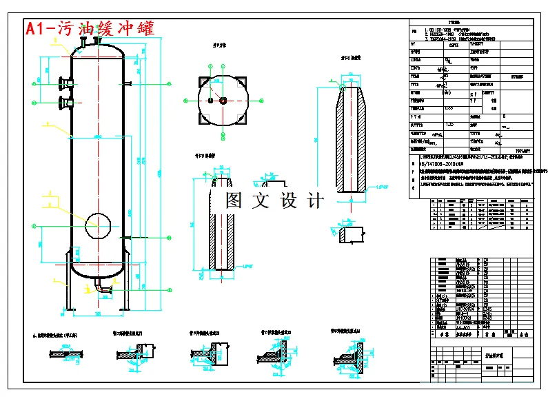
CAD版本图纸,共10张
摘要
液液水力旋流器作为一种新型的油田地面工程污水处理设备,具有广阔的应用前景。将液-液水力旋流器用于油田原油采出液预脱水,相比于传统的沉降罐、脱除器等设备能够大大降低采出液进入电脱盐脱水装置后的负荷。本课题在对风城油田稠油采出液理化特性进行调研基础上,查阅有关水力旋流器的文献与期刊,根据设计要求给定的2000立方米每天的处理要求,按照给定的设计条件,确定采出液旋流预脱水工艺方案,对流程关键设备(旋流器、集油罐等)进行结构设计及强度校核,完成相关图纸绘制,并对相关流程设备(压力表、阀门等)进行初步选型。
温馨提示:
1、题目前面的备注【字母数字编号】为本站整理分类的编号,与课题内容无关,请选题时忽视;
2、若题目上备注三维,则表示文件里包含三维源文件,由于三维组成零件数量较多,为保证预览截图的简洁性,本站将三维文件夹进行了打包。三维及CAD预览截图,均为本站电脑打开软件进行截图的,保证能够打开,下载原件超高清,下载后解压即可;
3、本站所有资源如无特殊说明,都需要本地电脑安装Office2007。图纸软件为AutoCAD,PROE,UG,SolidWorks,CATIA等;
4、本站所有图文资料仅供用户学习参考,不作为任何商用或其他用途;
5、本站不保证下载资源的准确性、安全性和完整性, 不包修改,不支持退换,同时也不承担用户因使用这些下载资源对自己和他人造成任何形式的伤害或损失;
6、 下载文件中如有侵权或不适当内容,请与我们联系,我们立即纠正。