

作品包括:
Word版设计说明书1份
外文翻译一份
CAD版本图纸,共5张
摘要
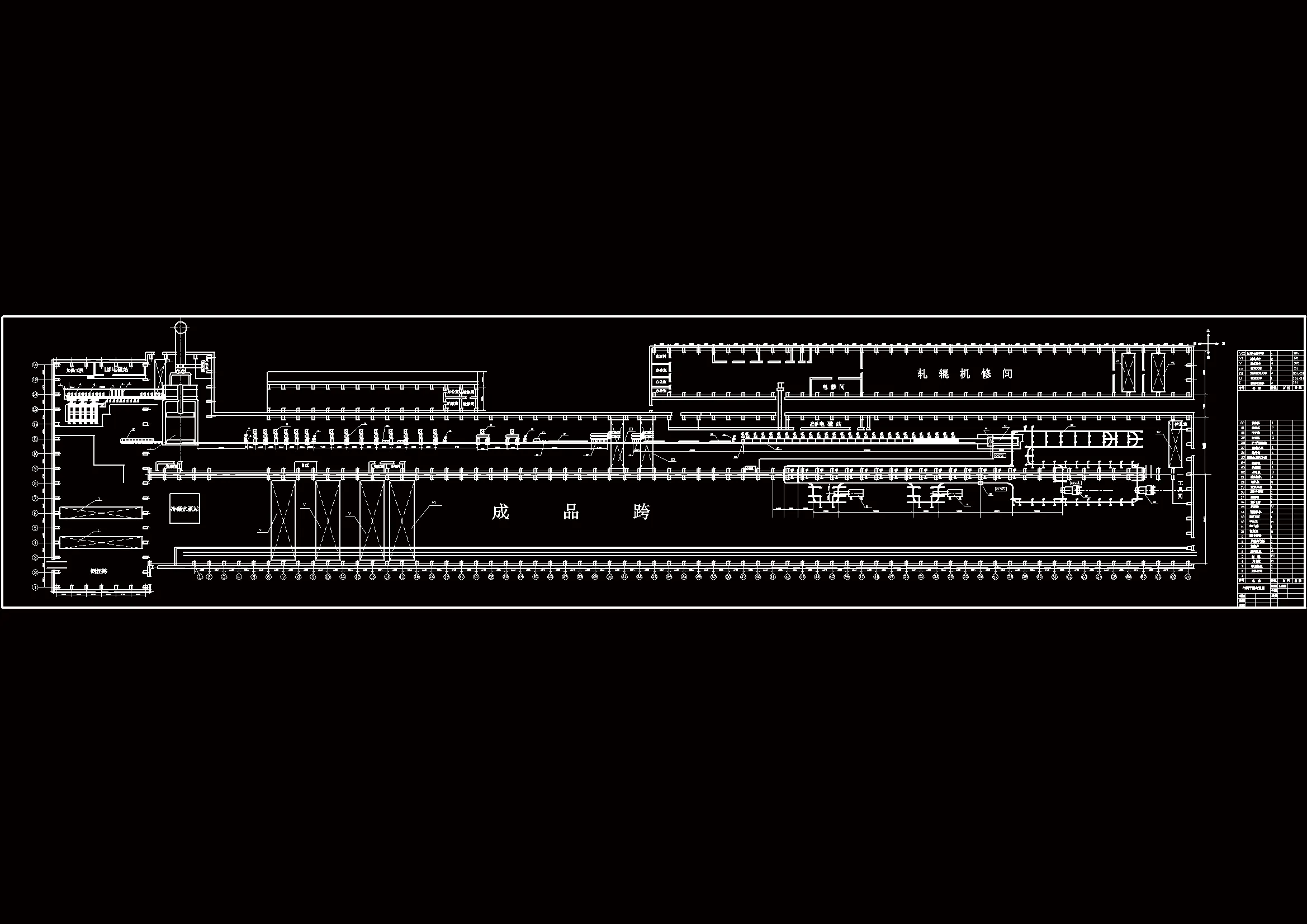
硝酸作为重要的化学产品之一,应用范围十分广泛。吸收工段作为硝酸生产工艺必不可少的一个环节,对其进行研究非常有必要。本设计对硝酸吸收工段工艺进行了研究和分析,最终选择加压吸收的生产工艺,针对生产过程中的原料氮氧化合物以及尾气的吸收进行了物料衡算和设备计算,并据此选择出相应符合要求的各种设备,其次对硝酸吸收过程中存在的安全问题进行了定性定量的安全评价并进行了事故后果模拟,最后针对性地对硝酸吸收工段中通常采取的安全技术措施做了相应的介绍,也就此对吸收工段中存在的安全技术问题给出了一些自己的建议。
温馨提示:
1、题目前面的备注【字母数字编号】为本站整理分类的编号,与课题内容无关,请选题时忽视;
2、若题目上备注三维,则表示文件里包含三维源文件,由于三维组成零件数量较多,为保证预览截图的简洁性,本站将三维文件夹进行了打包。三维及CAD预览截图,均为本站电脑打开软件进行截图的,保证能够打开,下载原件超高清,下载后解压即可;
3、本站所有资源如无特殊说明,都需要本地电脑安装Office2007。图纸软件为AutoCAD,PROE,UG,SolidWorks,CATIA等;
4、本站所有图文资料仅供用户学习参考,不作为任何商用或其他用途;
5、本站不保证下载资源的准确性、安全性和完整性, 不包修改,不支持退换,同时也不承担用户因使用这些下载资源对自己和他人造成任何形式的伤害或损失;
6、 下载文件中如有侵权或不适当内容,请与我们联系,我们立即纠正。