

作品包括:
Word版说明书1份,共46页,约17000字
CAD版本图纸,共6张
设计总说明
近30年来,特别是90年代之后,随着我国经济的快速发展,城乡人民的物质
生活水平不断提高以及各地”菜篮子”工程的实施,极大地加快了畜牧业向集约
化,规模化,专业化方向发展,同时也产生了大量的粪尿,污水,大多未经妥善回收
利用与处理,处置就直接排放,对环境造成严重的污染,畜牧业污水正在成为与工
业污水,生活污水相当甚至更大的污染源,有些城市畜牧业污水更是超过了工业
废水与生活污水的污染负荷的总和,其中养猪场废水的污染负荷占主要部分!
本设计要求处理350m3/d的白云区某畜牧场污水,污水中含有的有机物质浓
度比较高,设计采取UASB处理和好氧生物处理组合的工艺,可以有效去除污水中
的有机物,而且产生沼气可作能源提供.
本设计的主要设计指标为:
原水:CODcr(mg/L) 800~900、 (mg/L)400~600;
SS(mg/L) 300、氨氮(mg/L)200。
出水:CODcr(mg/L)70、 (mg/L)2;
SS(mg/L)60、氨氮(mg/L)10。
关键词:畜牧业 UASB 好氧生物处理
目 录
1.绪论 1
1.1项目背景 1
1.2工程简介 1
1.3设计进出水水质 1
1.4设计处理能力 1
1.5设计依据 2
1.6设计原则 2
2.污水处理工艺选择及说明 3
2.1畜牧场污水的处理方法 3
2.2 目前畜牧场废水的处理方法 4
2.2.1 固液分离和理化处理系统 4
2.2.2厌氧池发酵处理系统 4
2.2.3 土地处理系统 5
2.3.4 人工湿地处理系统 6
2.3.5 曝气处理法 6
2.3.6厌氧——好氧联合处理法 6
2.3 处理工艺选择 7
2.4 UASB工艺介绍 7
2.4.1 UASB工艺 7
2.4.2 UASB的基本构造 7
2.4.3 UASB工艺的特点 8
2.4.4 影响UASB处理效果的因素 8
2.5工艺流程图 9
2.6各构筑物介绍 9
2.6.1 集水池 9
2.6.2 毛发聚集器 10
2.6.3 固液分离 10
2.6.4 调节池 10
2.6.5 UASB反应器 10
2.6.6 生物接触氧化池 11
2.6.7 堆肥间 12
3 构筑物设计计算 15
3.1 水量集水池 15
3.1.1 设计说明 15
3.1.2 设计计算 15
3.2 毛发聚集器 15
3.3 固液分离处理 15
3.3.1 固液分离 15
3.3.2 处理后的水质指标 16
3.4调节池 16
3.4.1 设计说明 16
3.4.2设计计算 16
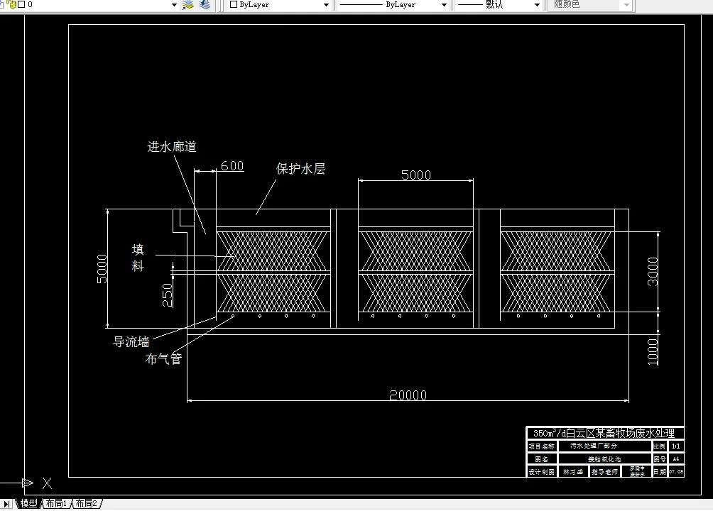
3.5 UASB的设计 17
3.5.1 设计说明 17
3.5.2 UASB工艺构造设计计算 18
3.5.3布水系统得设计计算 21
3.5.4 出水渠设计计算 22
3.5.5 UASB排水管设计计算 24
3.5.6 排泥管的设计计算 24
3.5.7沼气管路系统设计计算 25
3.5.8 UASB的其他设计 28
3.6 生物接触氧化设计计算 29
3.6.1生物氧化池 29
3.6.2 接触氧化池尺寸 29
3.6.3 供气系统 31
3.6.4 布水系统 33
3.6.5出水系统 33
3.6.6其他 35
4.主要构筑物和设备一览表 36
4.1构筑物一览表 36
4.2 主要机械设备一览表 36
5.工程投资概算 38
5.1设备费用 38
5.2 土建工程 38
5.3 工程总概算 39
6. 工程经济技术指标评估 40
6.1 工程投资 40
6.2 运行费用 40
6.2.1 电耗 40
6.2.2 人工费用 40
6.2.3其他各项运行费用 40
6.2.4 总运行费用 40
6.2.5 单位运行费用 41
结论 42
参考文献 43
致谢 44
温馨提示:
1、题目前面的备注【字母数字编号】为本站整理分类的编号,与课题内容无关,请选题时忽视;
2、若题目上备注三维,则表示文件里包含三维源文件,由于三维组成零件数量较多,为保证预览截图的简洁性,本站将三维文件夹进行了打包。三维及CAD预览截图,均为本站电脑打开软件进行截图的,保证能够打开,下载原件超高清,下载后解压即可;
3、本站所有资源如无特殊说明,都需要本地电脑安装Office2007。图纸软件为AutoCAD,PROE,UG,SolidWorks,CATIA等;
4、本站所有图文资料仅供用户学习参考,不作为任何商用或其他用途;
5、本站不保证下载资源的准确性、安全性和完整性, 不包修改,不支持退换,同时也不承担用户因使用这些下载资源对自己和他人造成任何形式的伤害或损失;
6、 下载文件中如有侵权或不适当内容,请与我们联系,我们立即纠正。