欢迎来到龙图网在线图文分享平台-CAD图纸,设计说明书,工业设计3D模型,三维软件下载!   客服QQ:2363701252
热搜:

工艺夹具 模具设计 数控编程 土木工程 3D模型

S217-衬套的冲压工艺及模具设计 下载积分:150 资料编号: S217

1.打开支付宝或者微信扫描二维码。
2.填写金额:150 
3.添加备注,填写资料编号:
资料编号: S217
4.支付成功后,请发资料编号到邮箱:jxsj168@qq.com
会有专人在15分钟内把资料发到您邮箱
备注:如果付款忘记填写资料编号,则发邮件时附带您的交易明细截图即可。
请耐心等待,如超过30分钟还没收到,请联系客服QQ:2363701252
点击分享:

作品描述

作品包括:

word说明书一份,共38页,约13000字

CAD版本图纸,共25张


目  录

摘要 1

关键词 1

1  前言 2

2  冲压零件的工艺性分析 4

2.1  材料的冲压性能的分析 4

2.2  结构形状和尺寸的工艺性分析 4

2.3  尺寸和精度的工艺性分析 4

3  冲压零件的总体工艺性方案分析和确定 5

4  排样图的设计和材料的利用率计算 5

5  落料拉深冲孔的工艺计算 6

5.1毛胚直径 6

5.2  确定是否加修边余量 6

5.3  确定是否需要加压边圈 6

5.4  确定拉深系数 7

5.5  计算工序冲压力 7

5.5.1  冲裁力的计算 7

5.5.2  卸料力的计算 7

5.5.3  拉深力的计算 7

5.5.4  压边力的计算 8

5.5.5  冲孔力的计算 8

5.5.6  推件力的计算 8

5.6  冲压设备的选择 9

6 模具零件主要工作部分尺寸计算 9

6.1  冲裁凸凹模尺寸计算 9

6.2  冲孔凸凹模的尺寸计算 10

6.3  拉深凸凹模的尺寸计算 11

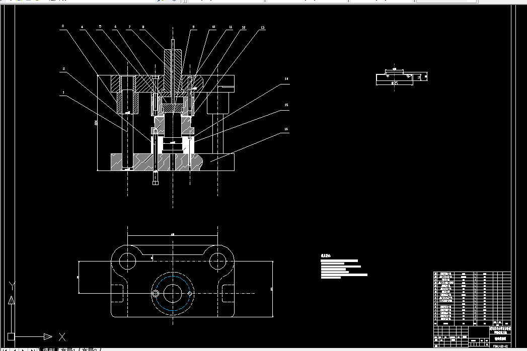
7  模具结构设计 12

7.1  模具总体结构设计 12

7.2  主要零部件设计和尺寸 13

7.2.1  冲孔凸模的设计 13

7.2.2  拉深凸模与冲孔凹模的设计 14

7.2.3  落料拉深凸凹模的设计 15

7.2.4  落料凹模的结构尺寸设计 16

7.2.5  卸料与推件零件的设计 17

7.2.6  导向零件的设计与标准 18

7.2.7  凸模固定板 20

7.2.8  模架及闭合高度 21

8  翻边工艺计算 21

8.1  翻边的工艺性分析 22

8.2  翻边系数的计算 22

8.3  翻边的工艺计算 22

8.3.1  毛胚尺寸的计算 22

8.3.2  翻边力的计算 23

8.3.3  翻边凸凹模设计 23

8.3.4  翻边间隙和凸凹模刃口尺寸计算 24

8.4  模具总体结构和尺寸设计 24

8.4.1  模具总体结构设计 24

8.4.2  翻边凸模的结构设计和尺寸计算 25

8.4.3  翻边凹模的结构设计和尺寸计算 26

8.4.4  导向零件的设计与标准 27

8.4.5  凸模固定板 28

8.4.6  承料板的设计 29

8.5  模架及闭合高度 30

9  其他零件的选择 30

10  结论 31

参考文献 32

致谢 33

 

衬套的冲压工艺及模具设计

摘  要:本次毕业设计,内容是衬套零件的模具设计。在毕业设计过程中,综合运用书本和课外实践知识进行设计和计算。此设计详细的介绍了冲压模具设计的流程,对零件的冲压工艺性进行了全面的分析和最终确定。这包括零件的形状结构的冲压工艺性分析和零件尺寸精度的冲压工艺性分析。

关键词:衬套;拉深;落料;冲孔;翻边


温馨提示:

1、题目前面的备注【字母数字编号】为本站整理分类的编号,与课题内容无关,请选题时忽视;

2、若题目上备注三维,则表示文件里包含三维源文件,由于三维组成零件数量较多,为保证预览截图的简洁性,本站将三维文件夹进行了打包。三维及CAD预览截图,均为本站电脑打开软件进行截图的,保证能够打开,下载原件超高清,下载后解压即可;

3、本站所有资源如无特殊说明,都需要本地电脑安装Office2007。图纸软件为AutoCAD,PROE,UG,SolidWorks,CATIA等;

4、本站所有图文资料仅供用户学习参考,不作为任何商用或其他用途;
5、本站不保证下载资源的准确性、安全性和完整性, 不包修改,不支持退换,同时也不承担用户因使用这些下载资源对自己和他人造成任何形式的伤害或损失;

6、 下载文件中如有侵权或不适当内容,请与我们联系,我们立即纠正。


线