

作品包括:
Word版设计说明书1份
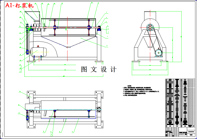
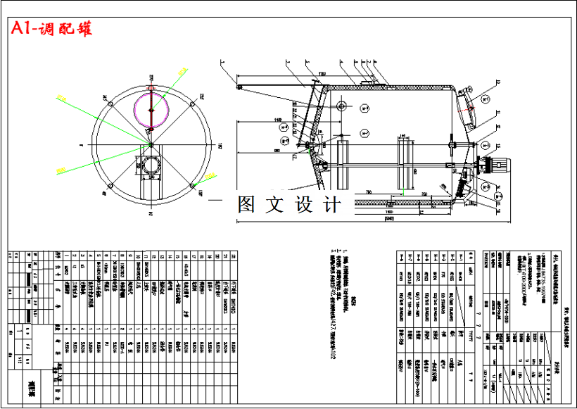
CAD版本图纸,共4张
摘要
本课题以山楂和红枣为原料,研究以喷雾干燥法生产速溶山楂红枣粉的加工工艺,解决了红枣汁中含糖量高,粘度大,山楂中果胶酶含量高,易粘壁,速溶山楂红枣粉吸湿性强,产品易结块保质期短的问题,确定了速溶山楂红枣粉的生产工艺。以浸提汁含量,浸提汁配比,糖度,柠檬酸溶液为四个因素,分别设定三个水平,进行L9(34)正交实验。实验结果表明浸提汁含量为65%,红枣汁:山楂汁为8:3,糖度为11%,柠檬酸含量为0.12%为宜。最终确定最佳配方。同时本课题还设计了一个年产30万吨速溶山楂红枣粉的工厂车间设计。
温馨提示:
1、题目前面的备注【字母数字编号】为本站整理分类的编号,与课题内容无关,请选题时忽视;
2、若题目上备注三维,则表示文件里包含三维源文件,由于三维组成零件数量较多,为保证预览截图的简洁性,本站将三维文件夹进行了打包。三维及CAD预览截图,均为本站电脑打开软件进行截图的,保证能够打开,下载原件超高清,下载后解压即可;
3、本站所有资源如无特殊说明,都需要本地电脑安装Office2007。图纸软件为AutoCAD,PROE,UG,SolidWorks,CATIA等;
4、本站所有图文资料仅供用户学习参考,不作为任何商用或其他用途;
5、本站不保证下载资源的准确性、安全性和完整性, 不包修改,不支持退换,同时也不承担用户因使用这些下载资源对自己和他人造成任何形式的伤害或损失;
6、 下载文件中如有侵权或不适当内容,请与我们联系,我们立即纠正。