

作品包括:
Word版设计说明书1份
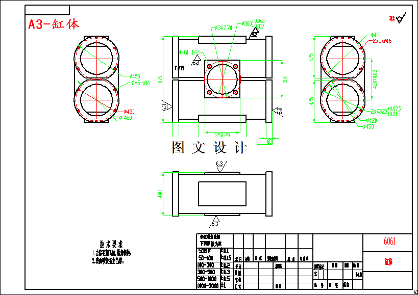
CAD版本图纸,共11张
摘要
齿轮齿条摆动液压缸,属新型机械设备领域中的液压执行元件,该设备由缸体、缸盖、齿条、齿轮、齿轮轴、轴承等组成。在缸筒内对称装有活塞,活塞通过螺纹连接装在活塞杆,齿条通过键连接固定在活塞杆上,启动液压系统,活塞就推动齿条使齿轮轴往复摆动。液压缸的往复运动是通过齿条带动齿轮,转化成输出轴的旋转摆动,也就是将往复缸的推力转化成齿轮轴的输出扭矩。齿轮轴的摆动角度与齿条的长度成正比,因此齿轮轴的摆角可以任意选择,并能大于360°。摆动液压缸最突出的优点是无需任何变速机构就可使负载直接获得往复摆动运动。本设计采用法兰式连接,轴输出,双齿条机构,360°大摆角。先总体方案确定,然后几何参数的计算及结构设计以及连接方式、制造要求、缓冲装置、排气装置的设计、液压缸装配拆卸检查。
温馨提示:
1、题目前面的备注【字母数字编号】为本站整理分类的编号,与课题内容无关,请选题时忽视;
2、若题目上备注三维,则表示文件里包含三维源文件,由于三维组成零件数量较多,为保证预览截图的简洁性,本站将三维文件夹进行了打包。三维及CAD预览截图,均为本站电脑打开软件进行截图的,保证能够打开,下载原件超高清,下载后解压即可;
3、本站所有资源如无特殊说明,都需要本地电脑安装Office2007。图纸软件为AutoCAD,PROE,UG,SolidWorks,CATIA等;
4、本站所有图文资料仅供用户学习参考,不作为任何商用或其他用途;
5、本站不保证下载资源的准确性、安全性和完整性, 不包修改,不支持退换,同时也不承担用户因使用这些下载资源对自己和他人造成任何形式的伤害或损失;
6、 下载文件中如有侵权或不适当内容,请与我们联系,我们立即纠正。