

作品包括:
Word版设计说明书1份
CAD版本图纸,共7张
摘要
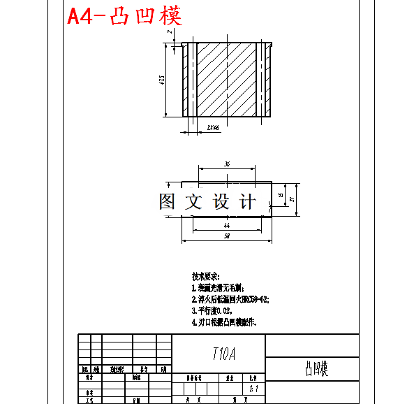
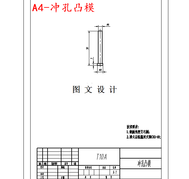
零件结构形状相对简单,对冲裁加工较为有利。零件中有2个圆孔,孔的最小直径为6mm,孔离工件边缘的距离最小为3mm。根据该零件形状来分析,该零件的结构满足冲裁要求。采用直排的排样方案。复合模的特点是生产效率高,冲裁件的内孔与外缘的相对位置精度高,板料的定位精度要求比级进模低。为提高产率,根据上述方案分析、比较,宜采用复合模冲裁。
温馨提示:
1、题目前面的备注【字母数字编号】为本站整理分类的编号,与课题内容无关,请选题时忽视;
2、若题目上备注三维,则表示文件里包含三维源文件,由于三维组成零件数量较多,为保证预览截图的简洁性,本站将三维文件夹进行了打包。三维及CAD预览截图,均为本站电脑打开软件进行截图的,保证能够打开,下载原件超高清,下载后解压即可;
3、本站所有资源如无特殊说明,都需要本地电脑安装Office2007。图纸软件为AutoCAD,PROE,UG,SolidWorks,CATIA等;
4、本站所有图文资料仅供用户学习参考,不作为任何商用或其他用途;
5、本站不保证下载资源的准确性、安全性和完整性, 不包修改,不支持退换,同时也不承担用户因使用这些下载资源对自己和他人造成任何形式的伤害或损失;
6、 下载文件中如有侵权或不适当内容,请与我们联系,我们立即纠正。