

作品包括:
Word版设计说明书1份,共12页,约3500字
外文翻译一份
CAD版本图纸,共19张
![1750558884106161.png )2)V{][6$UN]HS}A}SJL]L4.png](/uploadfiles/20250622/1750558884106161.png)
摘要
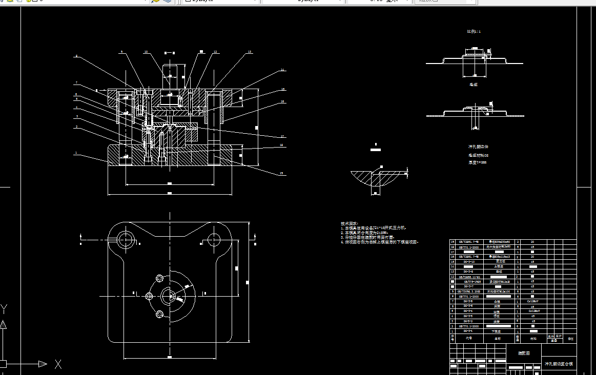
本次设计的端盖材料厚度为1mm,整体尺寸不大,形状不太复杂,其尺寸要求精度不高,外形尺寸公差配合要求也不高,属简单轮廓成形,又属大批量生产,考虑到生产成本和生产效率问题,选用模具冲压方法进行生产,通过对零件产品的分析,可以通过拉深、胀形、翻边等工艺对其进行成形,若采用单冲模,要在多台压力机上进行加工,而,这些工序间定位不同,容易造成成形缺陷,而且压力机数量、模具数量多,造成生产效率低、成本高等缺点采用复合模既能提高制件质量及生产率,又可减少设备投资和模具费用及降低制件成本。零件选用材料为08的卷料,08表示为含碳量为万分之八,强度、硬度很低,而韧性和塑性极高,具有良好的冲裁、拉深、弯曲和胀形等冷加工性能、焊接性能。但存在时效敏感性、淬硬性及淬透性极低。大多轧制成高精度的薄板或冷轧钢带用以制造易加工成形、强度低的拉深或弯曲的覆盖零件和焊接构件。本设计的类型为机设类,侧重于设计、计算与制图能力的培养和工程能力的基本训练。设计的产品对象是端盖,应完成其冲压工艺与模具设计。端盖是通过排样、落料、拉深、胀形、冲孔、内外缘翻边等工序形成,需要进行毛坯尺寸、冲压力计算,并确定模具结构的设计和压力机的选用
温馨提示:
1、题目前面的备注【字母数字编号】为本站整理分类的编号,与课题内容无关,请选题时忽视;
2、若题目上备注三维,则表示文件里包含三维源文件,由于三维组成零件数量较多,为保证预览截图的简洁性,本站将三维文件夹进行了打包。三维及CAD预览截图,均为本站电脑打开软件进行截图的,保证能够打开,下载原件超高清,下载后解压即可;
3、本站所有资源如无特殊说明,都需要本地电脑安装Office2007。图纸软件为AutoCAD,PROE,UG,SolidWorks,CATIA等;
4、本站所有图文资料仅供用户学习参考,不作为任何商用或其他用途;
5、本站不保证下载资源的准确性、安全性和完整性, 不包修改,不支持退换,同时也不承担用户因使用这些下载资源对自己和他人造成任何形式的伤害或损失;
6、 下载文件中如有侵权或不适当内容,请与我们联系,我们立即纠正。