

作品包括:
Word版设计说明书1份
CAD版本图纸,共5张
摘要
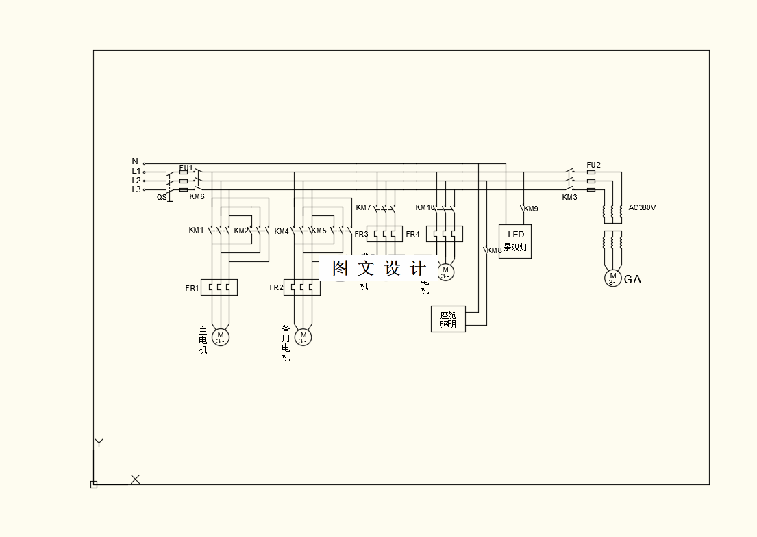
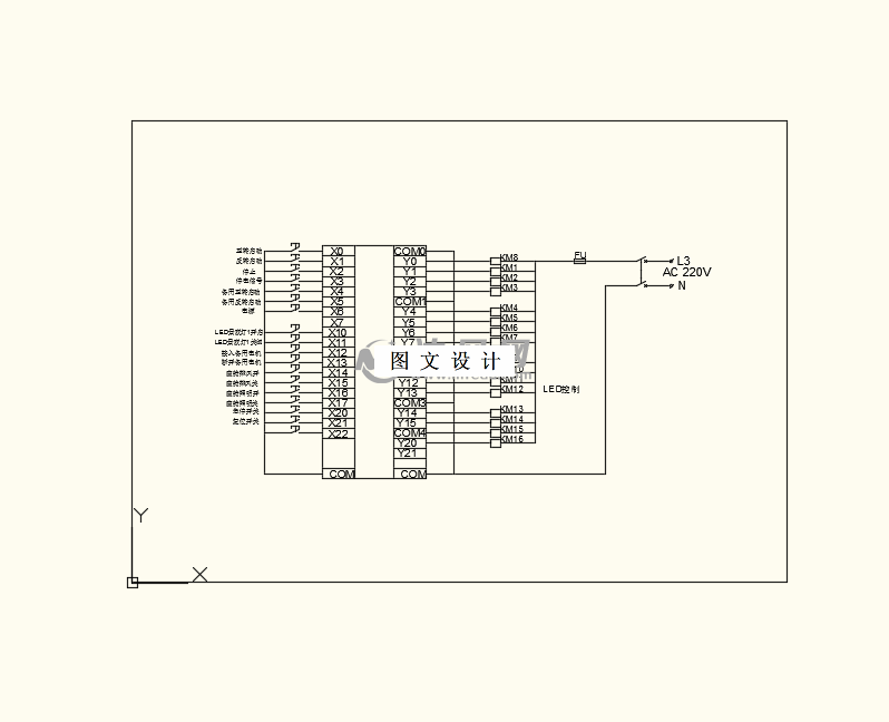
摩天轮电气控制系统得建立在早期是通过复杂的按钮开关、继电器控制电路来实现的,其复杂并且可靠性很低的缺点是难以满足现代人们对于娱乐设施的安全保障与舒适方便的标准和要求的。再结合当代的控制技术的发展与对摩天轮的控制技术的要求,本次课题将可编程逻辑控制器应用到摩天轮的电气控制中,用PLC之中的大量的软元件来替代老旧的控制系统中的接触器等机械电器,再用触摸屏之中的各种各样的软元件来代替原来的控制系统之中的指示灯和按钮等元件。同时,显示摩天轮的运行状态与配套设施的运转,来实现摩天轮电气系统的PLC控制。并结合了PLC的特点,在摩天轮电气控制系统之中,实现满足摩天轮在运行过程中的例如正常运行、备用动力、和应急处理等特殊的要求,并通过PLC与触摸屏之间的信息的传递,实现了触摸屏对控制系统的操作和运行的实时的状态在触摸屏上的准确的显示,再利用仿真软件GT Designer3来设计触摸屏上的人机操控界面并且进行控制系统的仿真测试。 通过调试和运行,发现该种控制系统操作很简单,并且能够可靠的运行,也能够满足在摩天轮的运行过程中的对摩天轮的运行的安全、稳定和应急措施的要求。
温馨提示:
1、题目前面的备注【字母数字编号】为本站整理分类的编号,与课题内容无关,请选题时忽视;
2、若题目上备注三维,则表示文件里包含三维源文件,由于三维组成零件数量较多,为保证预览截图的简洁性,本站将三维文件夹进行了打包。三维及CAD预览截图,均为本站电脑打开软件进行截图的,保证能够打开,下载原件超高清,下载后解压即可;
3、本站所有资源如无特殊说明,都需要本地电脑安装Office2007。图纸软件为AutoCAD,PROE,UG,SolidWorks,CATIA等;
4、本站所有图文资料仅供用户学习参考,不作为任何商用或其他用途;
5、本站不保证下载资源的准确性、安全性和完整性, 不包修改,不支持退换,同时也不承担用户因使用这些下载资源对自己和他人造成任何形式的伤害或损失;
6、 下载文件中如有侵权或不适当内容,请与我们联系,我们立即纠正。