

作品包括:
Word版设计说明书1份
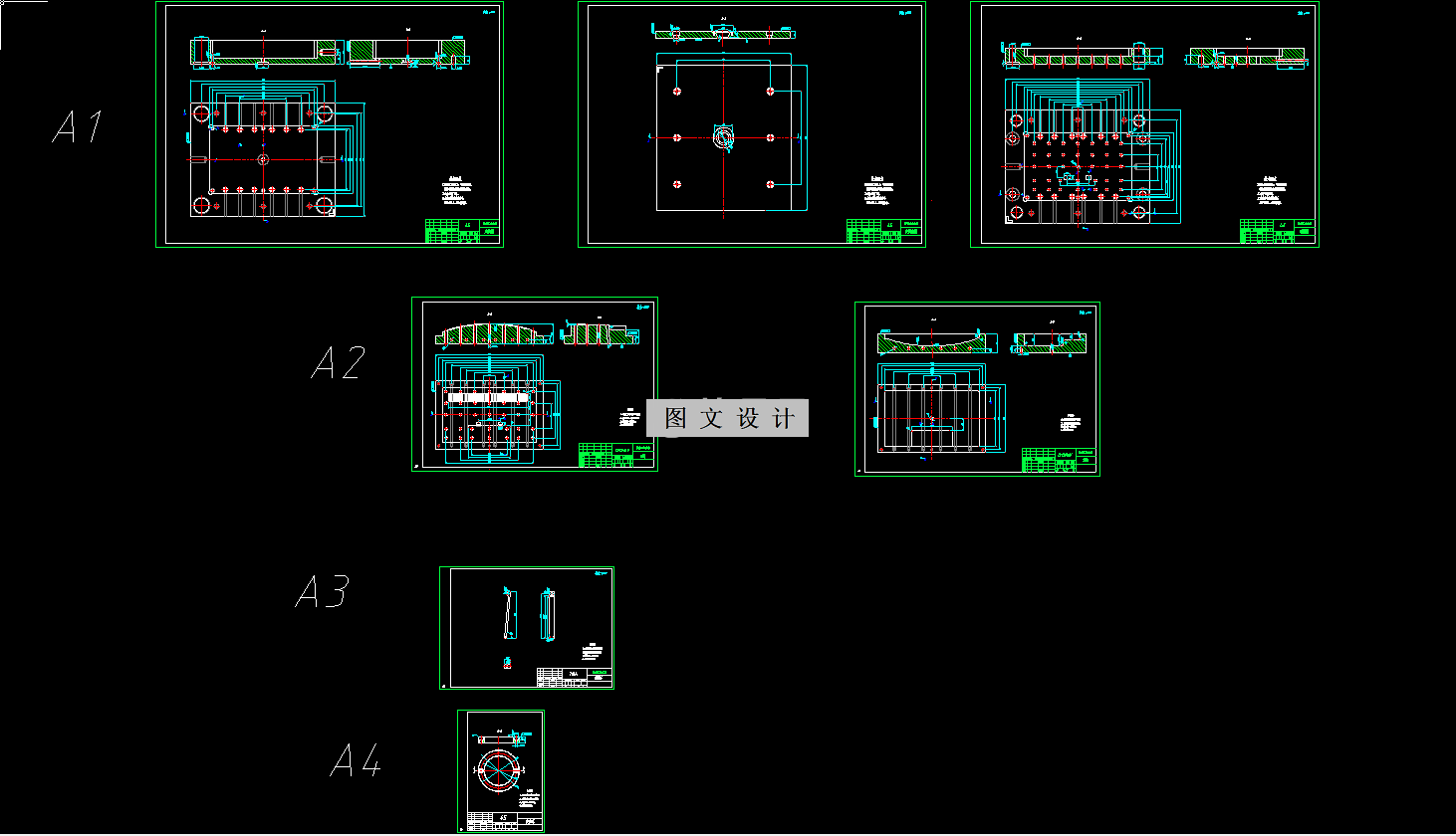
CAD版本图纸,共9张
UG三维图一份
摘要
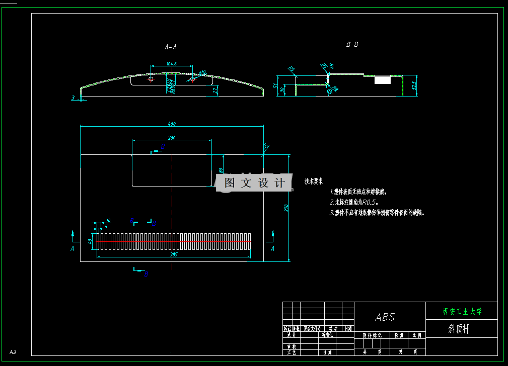
电脑显示屏后盖注塑模具设计模具为一模一腔,直浇口结构,塑件上侧凹结构采用斜推杆抽芯机构成型,推杆脱模,本设计基于AUTOCAD二维绘制软件,借助UG等3d立体软件,对塑件进行了3D造型,并且完成了注塑模具中各个零件的设计,装配体上各零件的设计,同时还生成了塑料注射模具的成型零件,并且设计了浇注系统、冷却系统、模具模架等零件,最后进行了整个模具的装配。利用3D和cad相结合的模式,不仅可以直观的看到设计的模具的结构,并且可以有效的表达设计的设计理念。本资料含有模具装配图、模具三维、多张模具零件图
温馨提示:
1、题目前面的备注【字母数字编号】为本站整理分类的编号,与课题内容无关,请选题时忽视;
2、若题目上备注三维,则表示文件里包含三维源文件,由于三维组成零件数量较多,为保证预览截图的简洁性,本站将三维文件夹进行了打包。三维及CAD预览截图,均为本站电脑打开软件进行截图的,保证能够打开,下载原件超高清,下载后解压即可;
3、本站所有资源如无特殊说明,都需要本地电脑安装Office2007。图纸软件为AutoCAD,PROE,UG,SolidWorks,CATIA等;
4、本站所有图文资料仅供用户学习参考,不作为任何商用或其他用途;
5、本站不保证下载资源的准确性、安全性和完整性, 不包修改,不支持退换,同时也不承担用户因使用这些下载资源对自己和他人造成任何形式的伤害或损失;
6、 下载文件中如有侵权或不适当内容,请与我们联系,我们立即纠正。