

作品包括:
Word版设计说明书1份
CAD版本图纸,共1张
UG三维图一份
摘要
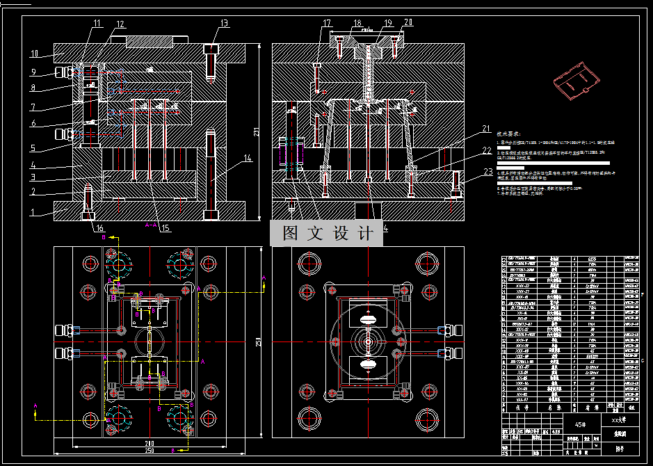
遥控器电池盖注塑模具设计主题。模具为一模两腔,侧浇口,塑件上侧凹结构采用斜顶杆抽芯机构成型,推杆推出,本设计对塑料零件的结构与最终成型工艺进行了分析,确定了产品分型面、塑件浇注系统,选择并确定了注射机,计算了相应成型零部件的大小。确定了模具浇口、顶出系统和导柱导套的导向系统,这样设计出来的模具可确保模具可靠、灵活。并对注射机进行选择和校核。本资料含有模具装配图、模具三维
温馨提示:
1、题目前面的备注【字母数字编号】为本站整理分类的编号,与课题内容无关,请选题时忽视;
2、若题目上备注三维,则表示文件里包含三维源文件,由于三维组成零件数量较多,为保证预览截图的简洁性,本站将三维文件夹进行了打包。三维及CAD预览截图,均为本站电脑打开软件进行截图的,保证能够打开,下载原件超高清,下载后解压即可;
3、本站所有资源如无特殊说明,都需要本地电脑安装Office2007。图纸软件为AutoCAD,PROE,UG,SolidWorks,CATIA等;
4、本站所有图文资料仅供用户学习参考,不作为任何商用或其他用途;
5、本站不保证下载资源的准确性、安全性和完整性, 不包修改,不支持退换,同时也不承担用户因使用这些下载资源对自己和他人造成任何形式的伤害或损失;
6、 下载文件中如有侵权或不适当内容,请与我们联系,我们立即纠正。