欢迎来到龙图网在线图文分享平台-CAD图纸,设计说明书,工业设计3D模型,三维软件下载!   客服QQ:2363701252
热搜:

工艺夹具 模具设计 数控编程 土木工程 3D模型

E704-单面双轴专用铣床的齿轮及夹具的设计 下载积分:50 资料编号: E704

1.打开支付宝或者微信扫描二维码。
2.填写金额:50 
3.添加备注,填写资料编号:
资料编号: E704
4.支付成功后,请发资料编号到邮箱:jxsj168@qq.com
会有专人在15分钟内把资料发到您邮箱
备注:如果付款忘记填写资料编号,则发邮件时附带您的交易明细截图即可。
请耐心等待,如超过30分钟还没收到,请联系客服QQ:2363701252
点击分享:

作品描述

作品包括:

Word版说明书1份,共28页,约11000字

外文翻译一份

CAD版本图纸,共5张


单面双轴专用铣床的齿轮及夹具的设计

摘 要

    本设计主要是对单面双轴专用铣床的专用夹具进行设计,文章重点对定位方案加以对比选择,并选择夹紧方案,及其部分零部件。同时,文章还对单面双轴专用铣床的部分传动轴和齿轮进行了设计校核。

    这次设计将我以前所学过的机械设计,机械制造工艺学,理论力学,材料力学等课程联系了起来,巩固了所学的知识.首先对被加工工件外形轮廓的分析对比确定定位方案和夹紧方案,其次对夹紧方案中的具体元件进行设计,最后对方案设计论证,检验可行性。以前学到机床夹具知识仅停留在理论层面,通过这次毕业设计真正做到理论联系实际。


   关键字:专用夹具  定位  夹紧  设计校核

      

目录


绪论 2

第1章 机床夹具设计 4

1.1引言 4

1.2夹具设计 4

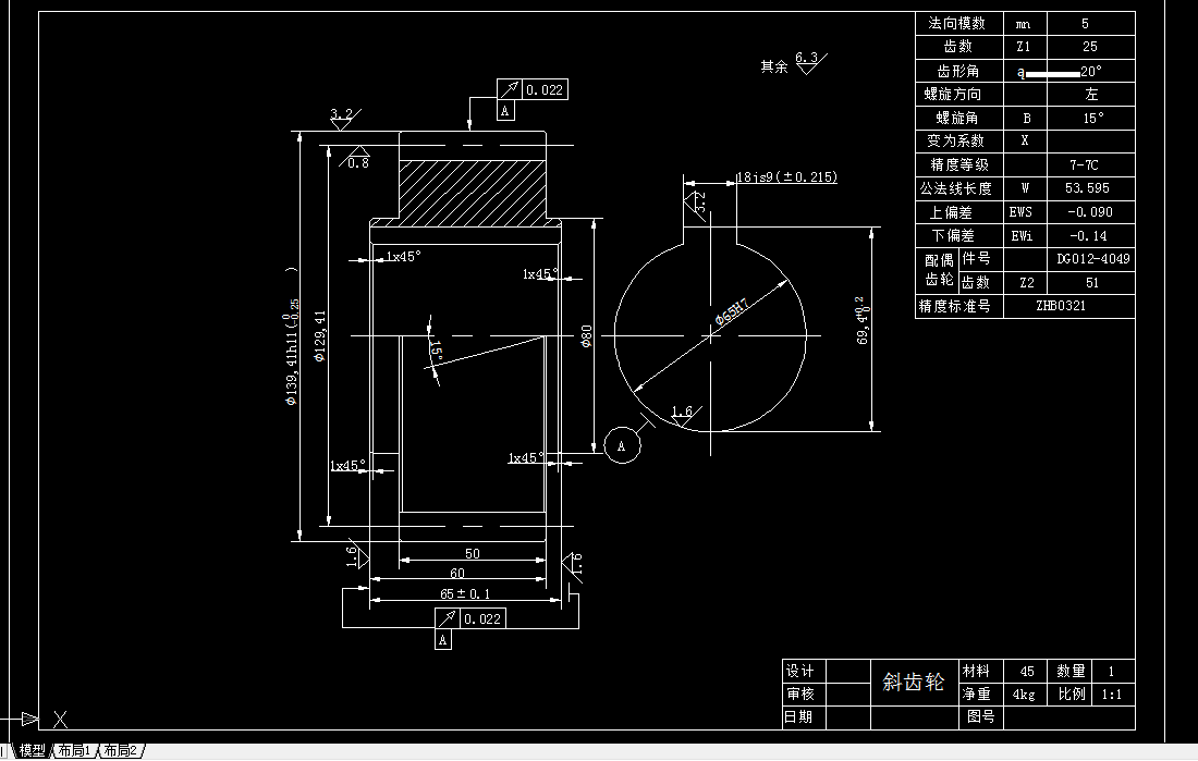
第2章 齿轮3、齿轮4的设计及校核 12

2.1 齿轮3、4设计计算 12

2.2选择齿轮材料、热处理、齿面硬度、精度等级及齿数 13

2.3 按齿面接触疲劳强度设计 13

2.4确定齿轮传动主要参数和几何尺寸 15

2.5校核齿根弯曲强度 16

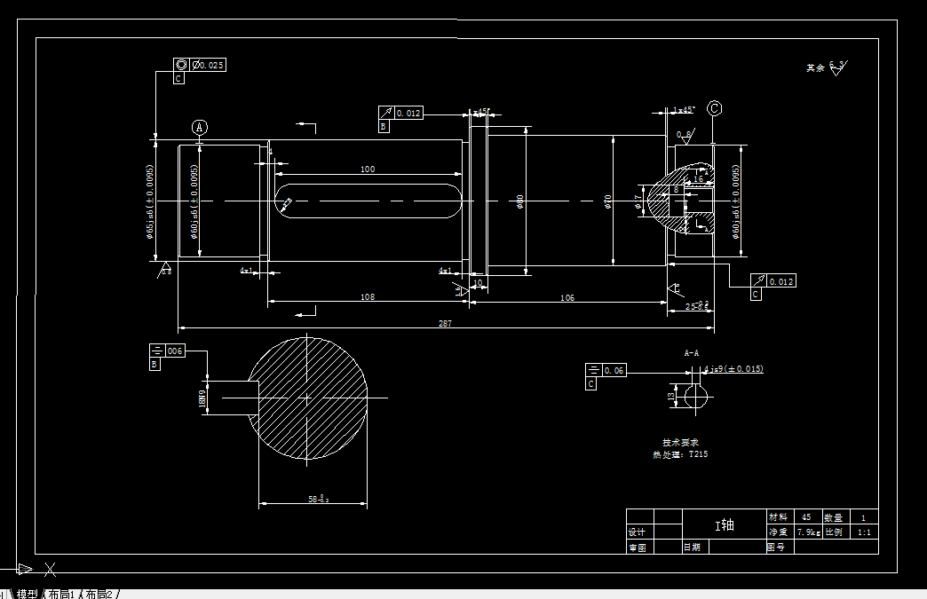
第3章 轴1的设计 18

3.1轴1的结构设计以及计算 18

3.2 初步估算轴的最小直径 18

3.3轴的结构设计 18

3.4轴上零件的周向固定 19

3.5定向轴肩处的圆角半径R的值 19

3.6 轴的受力分析以及轴的校核 20

结 论 25

致 谢 26

参考文献 27

温馨提示:

1、题目前面的备注【字母数字编号】为本站整理分类的编号,与课题内容无关,请选题时忽视;

2、若题目上备注三维,则表示文件里包含三维源文件,由于三维组成零件数量较多,为保证预览截图的简洁性,本站将三维文件夹进行了打包。三维及CAD预览截图,均为本站电脑打开软件进行截图的,保证能够打开,下载原件超高清,下载后解压即可;

3、本站所有资源如无特殊说明,都需要本地电脑安装Office2007。图纸软件为AutoCAD,PROE,UG,SolidWorks,CATIA等;

4、本站所有图文资料仅供用户学习参考,不作为任何商用或其他用途;
5、本站不保证下载资源的准确性、安全性和完整性, 不包修改,不支持退换,同时也不承担用户因使用这些下载资源对自己和他人造成任何形式的伤害或损失;

6、 下载文件中如有侵权或不适当内容,请与我们联系,我们立即纠正。


线