

作品包括:
Word版说明书1份,共33页,约7000字
外文翻译一份
CAD版本图纸,共5张
摘要
此次设计是关于单面两轴专用铣床,设计内容包括:课题来源及现实意义,传动装置的总体设计、轴和齿轮的设计以及传动密封和润滑的设计。其中涉及到机械制造及自动化专业的各科专业课程,包机械原理、机械设计、机械制造工艺学、材料力学、理论力学等,设计内容包括机械传动装置总体设计、轴和齿轮的设计、箱体的设计。设计包含设计的整个流程,涉及了与专业结核性较强的课题。铣床设计是一个综合机械生产全面性课题,培养了自己的综合能力、自学能力,从而适应未来社会的需要与科学技术的发展需要。
关 键 词:单面双轴专用铣床 传动装置 齿轮 轴
目录
摘要 1
第1章.机械传动装置总体设计 1
1.1 引言 1
1.2 拟定传动方案 1
第2章. 选择电动机 3
2.1传动装置的总传动比及其分配 3
2.2 计算传动装置的运动和动力参数 3
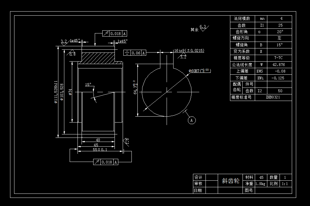
第3章.齿轮1、齿轮2设计计算 6
3.1选择齿轮材料、热处理、齿面硬度、精度等级及齿数 6
3.2按齿面接触疲劳强度设计 6
3.3按齿根弯曲强度设计 9
3.4几何尺寸计算 10
3.5 结构设计 11
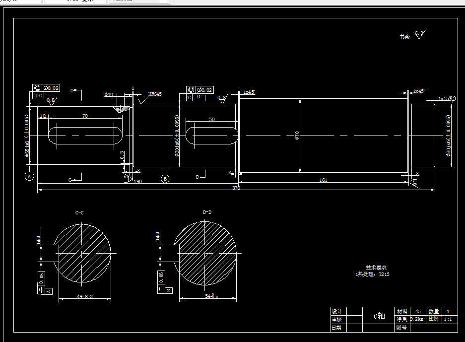
第4章. 轴0的结构设计以及计算 11
轴0示意图4-1 12
4.1 初步估算轴的最小直径 12
4.2 轴的结构设计 12
4.3 轴上零件的周向固定 13
4.4 定向轴肩处的圆角半径R 13
4.5 轴的受力分析以及轴的校核 14
第5章.轴1的结构设计以及计算 18
5.1 初步估算轴的最小直径 18
5.2轴的结构设计 18
5.3轴上零件的周向固定 19
5.4定向轴肩处的圆角半径R的值 19
5.5 轴的受力分析以及轴的校核 19
第6章.润滑与密封 25
6.1 润滑方式的选择 25
6.2密封方式的选择 25
6.3润滑油的选择 25
第7章.箱体的设计 26
7.1箱体材料 26
7.2箱体的设计要点: 26
7.3箱体结构应具有良好的工艺性 26
设计总结 28
致 谢 29
参考文献 30
温馨提示:
1、题目前面的备注【字母数字编号】为本站整理分类的编号,与课题内容无关,请选题时忽视;
2、若题目上备注三维,则表示文件里包含三维源文件,由于三维组成零件数量较多,为保证预览截图的简洁性,本站将三维文件夹进行了打包。三维及CAD预览截图,均为本站电脑打开软件进行截图的,保证能够打开,下载原件超高清,下载后解压即可;
3、本站所有资源如无特殊说明,都需要本地电脑安装Office2007。图纸软件为AutoCAD,PROE,UG,SolidWorks,CATIA等;
4、本站所有图文资料仅供用户学习参考,不作为任何商用或其他用途;
5、本站不保证下载资源的准确性、安全性和完整性, 不包修改,不支持退换,同时也不承担用户因使用这些下载资源对自己和他人造成任何形式的伤害或损失;
6、 下载文件中如有侵权或不适当内容,请与我们联系,我们立即纠正。