

作品包括:
word版说明书一份,19页,7500字左右.
CAD版本图纸,共4张:
工艺卡一张
过程卡一张
摘 要
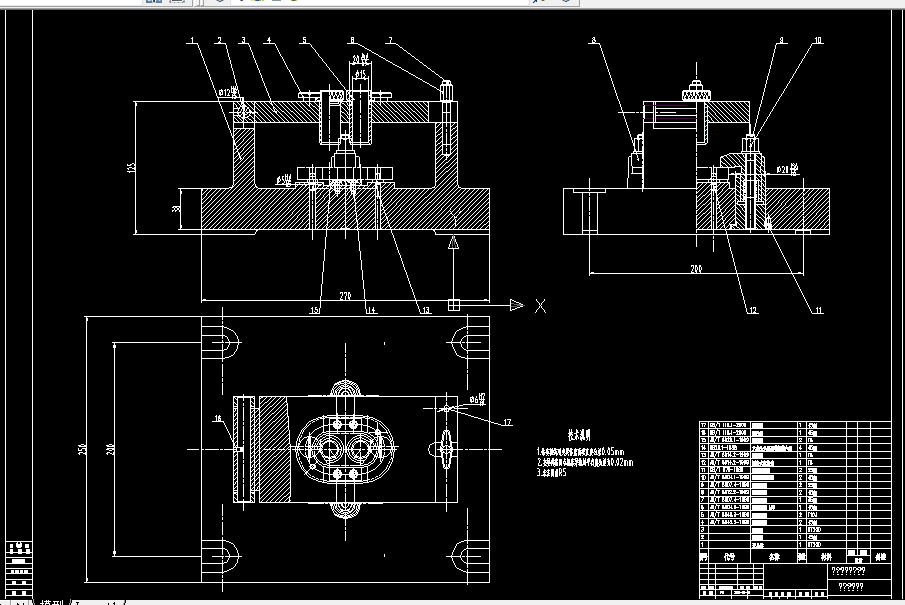
本课程设计主要内容包括齿轮油泵泵盖的加工工艺过程设计和钻 盲孔的专用夹具设计,在课程设计过程中完成了零件图、毛坯图、夹具体装配图和夹具体零件图的绘制及说明书的编写。
泵盖零件结构较简单,而且为铸件,外表面为要求较高精度要求,铸造即可满足,与其它接触面处的端面精度要求较高,需要经过粗车、半精车加工,保证密封配合性。
本次设计针对 盲孔的加工难度设计了一套专用夹具,采用一面两孔的定位方式来满足定位要求,又通过夹紧装置保证加工过程中不会产生较大误差。其中间过程对夹紧装置进行了受力分析,保证了夹紧的可靠性。
综上所述为本次课程设计的主要内容及设计过程
目录
1零件的工艺性分析 1
1.1 零件的用途 1
1.2 零件的技术要求 1
1.3 审查零件的工艺性 1
2零件毛坯的确定 2
2.1零件的生产类型 2
2.2毛坯的种类和制造方法 2
2.3零件各表面的加工方法 3
2.4各工序间加工余量 3
2.5确定毛坯尺寸 4
3机械加工工艺规程设计 4
3.1拟定工艺路线 4
3.2 孔 切削用量的计算 5
3.3 基本工时的计算 6
3.4 制订 工序卡片 8
4 孔的专用夹具设计 8
4.1 定位方案的设计 8
4.2定位误差分析与计算 9
4.3导向元件设计 10
4.4夹紧装置的设计 10
4.5 夹具结构设计及操作简要说明 11
5 方案综合评价与结论 11
6体会与展望 12
参考文献 13
温馨提示:
1、题目前面的备注【字母数字编号】为本站整理分类的编号,与课题内容无关,请选题时忽视;
2、若题目上备注三维,则表示文件里包含三维源文件,由于三维组成零件数量较多,为保证预览截图的简洁性,本站将三维文件夹进行了打包。三维及CAD预览截图,均为本站电脑打开软件进行截图的,保证能够打开,下载原件超高清,下载后解压即可;
3、本站所有资源如无特殊说明,都需要本地电脑安装Office2007。图纸软件为AutoCAD,PROE,UG,SolidWorks,CATIA等;
4、本站所有图文资料仅供用户学习参考,不作为任何商用或其他用途;
5、本站不保证下载资源的准确性、安全性和完整性, 不包修改,不支持退换,同时也不承担用户因使用这些下载资源对自己和他人造成任何形式的伤害或损失;
6、 下载文件中如有侵权或不适当内容,请与我们联系,我们立即纠正。