

作品包括:
Word版说明书1份,共31页,约11000字
工序卡1份
工艺过程卡1份
刀具卡1份
CAD版本图纸,共1张
UG三维图1张
![1750854165372630.webp L{U41F1VEE`[C{2]0N$8C)J.webp](/static/upload/image/20250625/1750854165372630.webp)
摘要
本课题来源于生产,是对所学知识的应用,它包括了我们在校几年所学的全部知识,在数控专业上具有代表性,而且提高了综合运用各方面知识的能力。程序的编制到程序的调试,零件的加工运用到了所学的AutoCAD、UG软件、机床操作、刀具的选择、零件的工艺分析、工艺路线等一系列的内容。这将所学到的理论知识充分运用到了实际加工中,切实做到了理论与实践的有机结合,选择正确的加工方法,设计合理的加工工艺过程,充分发挥数控加工的优质、高效、低成本的特点。本文主要对零件进行了,图纸分析、毛坯的选择、加工方法以及加工路线的选择、对刀具机床进行确定,并且选定刀具参数规格,选定机床的型号。然后填写工艺卡片,工序卡片。对零件进行自动编程。
关键词:数控编程;数控铣削;仿真加工;三维建模
目录
摘要I
Abstract I
第一章绪论4
1.1本课题的目的及意义4
1.2数控加工工艺的特点4
1.3数控技术发展5
1.3.1数控技术的国内发展史5
1.3.2数控技术的国外发展史5
1.3.3数控的未来发展趋势5
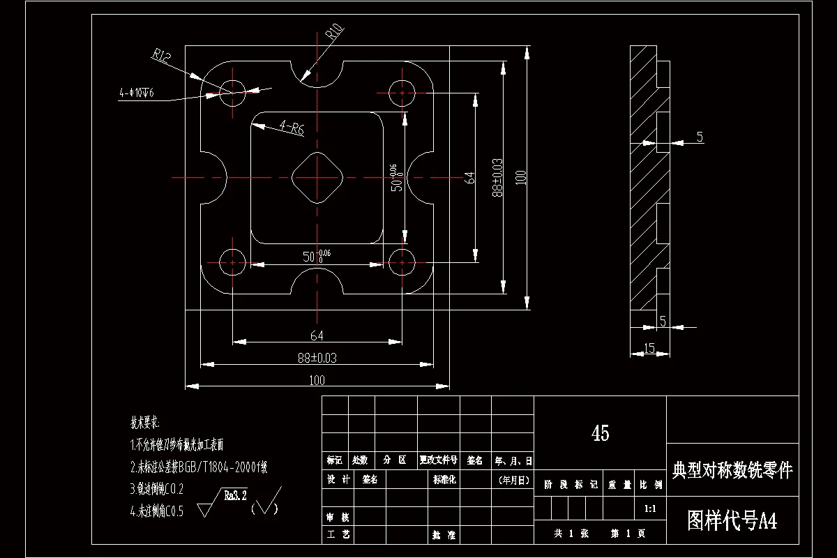
第二章零件图分析7
2.1典型对称数铣零件分析7
2.2技术要求8
第三章零件加工工艺规程设计9
3.1毛坯的选择9
3.2定位基准的选择及工艺路线的确定10
3.2.1定位基准的选择10
3.2.2工序的划分10
3.3选择并确定工艺装备11
3.3.1数控机床的选择11
3.3.2夹具的选择12
3.3.3刀具选择12
第四章确定参数14
4.1背吃刀量的选择14
4.2进给速度的确定14
4.3切削参数的确定14
第五章零件UG三维造型16
5.1新建文件16
5.2创建底板16
5.3创建凸台特征17
第六章基于UG软件的数控程序编制19
6.1零件编程方法选择19
6.2典型对称数铣零件零件数控加工程序的编写19
6.2.1进入UG加工模块19
6.2.2创建程序20
6.2.3创建刀具21
6.2.4创建几何体21
6.2.5上表面轮廓铣削编程22
6.2.6零件钻削编程设置25
6.3零件的数控仿真加工26
6.4数控加工程序的后处理27
总结28
致谢29
参考文献30
温馨提示:
1、题目前面的备注【字母数字编号】为本站整理分类的编号,与课题内容无关,请选题时忽视;
2、若题目上备注三维,则表示文件里包含三维源文件,由于三维组成零件数量较多,为保证预览截图的简洁性,本站将三维文件夹进行了打包。三维及CAD预览截图,均为本站电脑打开软件进行截图的,保证能够打开,下载原件超高清,下载后解压即可;
3、本站所有资源如无特殊说明,都需要本地电脑安装Office2007。图纸软件为AutoCAD,PROE,UG,SolidWorks,CATIA等;
4、本站所有图文资料仅供用户学习参考,不作为任何商用或其他用途;
5、本站不保证下载资源的准确性、安全性和完整性, 不包修改,不支持退换,同时也不承担用户因使用这些下载资源对自己和他人造成任何形式的伤害或损失;
6、 下载文件中如有侵权或不适当内容,请与我们联系,我们立即纠正。